STMicroelectronics STSPIN32G060x 600V 3相BLDCコントローラ
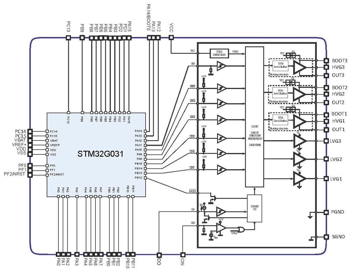
STマイクロエレクトロニクス (STMicroelectronics) STSPIN32G060x600V 3相BLDCコントローラは、 3相アプリケーションの駆動を目的としたオールインワン・パッケージです。STMicro STSPIN32G060xには、32ビットArm® Cortex®-M0+ CPU搭載のSTM32G031x8x3 MCUが実装されています。さらに高速過負荷と過電流保護用に600VトリプルハーフブリッジゲートドライバとsmartSDコンパレータも搭載しています。このコントローラには、高電圧ブートストラップダイオード、抗クロス導通、デッドタイム、UVLO保護が統合されており、効率的で安全な動作を目的としています。MCUは、最大64MHzで動作し、メモリ保護ユニット(MPU) を活用してセキュリティを強化します。特徴
- 3相ゲートドライバ
- 最大600Vの高電圧レール
- dV/dt過渡耐性±50V/ns
- ゲート駆動電圧範囲: 9V~ 20V
- ドライバ電流能力
- ソース/シンク電流:200/350mA(25°C)(STSPIN32G0601)
- ソース/シンク電流:1.00/0.85A(25°C)(STSPIN32G0602)
- 32ビットArm Cortex-M0 + MCUコア
- クロック周波数:最大64MHz
- 8Kbyte SRAM(ハードウェア・パリティチェック機能搭載)
- 保護と安全領域を備えた64Kbyteフラッシュメモリ
- CRC演算ユニット
- 最大32個の汎用I/Oポート(GPIO)
- モーター制御用の高機能タイマ1個、16ビット、最大PWMチャンネル数:6
- 汎用タイマ(1x 32ビット)5個
- 低電力タイマ2個
- 変換速度2MSpsの12ビットADCコンバータ(最大15チャンネル)
- 柔軟性に富んだマッピングが備わった5チャンネルDMAコントローラ
- 内部高精度電圧リファレンス
- I2C x 2、SPI x 2、UART x 3、低電力UARTインターフェイス一式 x 1
- 全チャンネルに対して伝搬遅延をマッチング
- 統合ブートストラップダイオード
- 高速過電流保護用のコンパレータ
- UVLO、インターロッキング、デッドタイム機能
- スマートシャットダウン(smartSD)機能
- 低消費電力用スタンバイモード
- SWD経由でのオンチップデバッグサポート
- -40°C~+125°C拡張周囲温度範囲
- QFN 10x10 72Lピッチ0.5沿面距離1.8mmパッケージ
アプリケーション
- 3相モータドライバ
- インバータ
- 産業用機器およびファン
ビデオ
ブロック図
データシート
公開: 2024-01-24
| 更新済み: 2025-08-12
