STMicroelectronics Teseo-LIV4F小型デュアルバンドGNSSモジュール
STMicroelectronics Teseo-LIV4F小型GNSSデュアルバンド・モジュールは、使いやすい全地球衛星測位システム(GNSS)スタンドアロン低電力モジュールです。これらのモジュールには、複数のコンステレーション(GPS/Galileo/Glonass/BeiDou/QZSS) で同時に作動するTeseo IVシングルダイ・スタンドアロン位置決めレシーバICが組み込まれています。Teseo-LIV4Fモジュールは、ボード上の温度補正水晶発振器(TCXO)、初期位置算出時間(TTFF)、専用のリアルタイムクロック(RTC)発振器を備えています。これらのTeseo-LIV4Fモジュールは、、9.7mm x 10.1mmのコンパクトなパッケージを採用しています。主なアプリケーションには、保険、商品追跡、ドローン、通行料徴収システム、盗難防止システム、人やペットの位置検出、車両追跡、緊急通報、フリートマネージメント(動態管理)、診断、公共輸送があります。特徴
- 同時マルチコンステレーションとマルチバンドGNSS (GPS/Galileo/Glonass/BeiDou/QZSS)
- IRNSS コンスタレーション対応
- -162dBmトラッキング感度
- サブメーター位置決め精度
- 組み込み型フラッシュ
- ファームウェアのアップグレード
- 無料のファームウェア設定
- 3V ~ 3.63V VCC/VBAT 電源電圧範囲
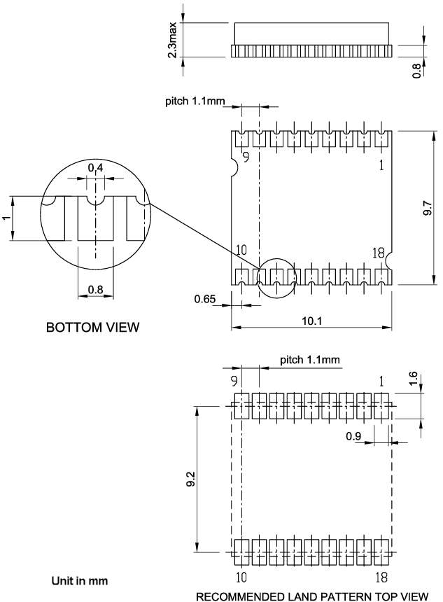
- 小型9.7mm x 10.1mm、LCC-18ピンパッケージ
- -40°C~85°Cの動作温度範囲
- 10μAスタンバイ電流消費量と48.8mA GNSS L1およびL5トラッキング消費電流
アプリケーション
- 保険ブラックボックス
- 商品追跡
- ドローン
- トーリング
- 防犯システム
- 人やペットのロケーション
- 車両追跡
- 緊急通報
- フリート管理
- 車両共有
- 診断
- 公共交通機関
モジュールのブロック図
寸法図
ビデオ
公開: 2023-05-09
| 更新済み: 2024-05-15
