STMicroelectronics VN7007ALHTR高圧側ドライバ
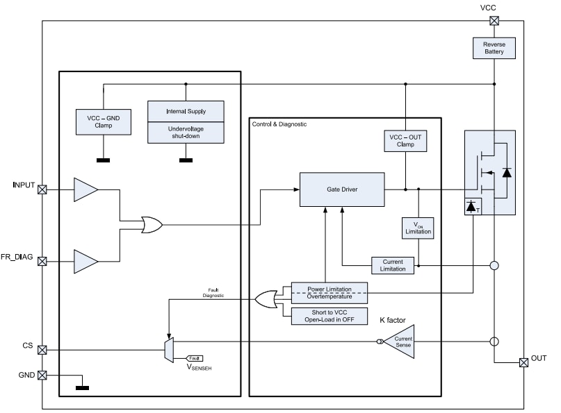
STMicroelectronics VN7007ALHTRハイサイド・ドライバは、シングル・チャンネル・ドライバで、CurrentSenseアナログ・フィードバックが備わっています。このVN7007ALHTRハイサイド・ドライバは、3Vおよび5V CMOS互換インターフェイスから12V車載用アース負荷を駆動するように設計されています。VN7007ALHTRハイサイド・ドライバには、過負荷や接地に対するショートの表示、熱シャットダウンの表示、OFF状態オープン負荷検出、センス有効/無効のような診断機能が搭載されています。このVN7007ALHTRドライバには、負荷電流制限、電力制限による過負荷アクティブ管理、過熱シャットダウンといった高度保護機能が統合されています。VN7007ALHTRハイサイド・ドライバは、ST独自のVIPower®技術を活用して製造されており、Octapakパッケージに収められています。一般的なアプリケーションには、車載用スマート配電、ハイパワー抵抗/誘導アクチュエータ、グロープラグ、加熱システム、DCモータ、リレー交換があります。特徴
- 一般:
- シングルチャンネル・スマート・ハイサイド・ドライバ
- CurrentSenseアナログフィードバック
- 3Vおよび5V CMOS出力との互換性あり
- 診断機能:
- グランド表示に対する過負荷や短絡
- サーマルシャットダウン表示
- オフ状態オープン負荷検出
- VCC検出ショート出力
- センス有効化/無効化
- 保護:
- 低電圧シャットダウン
- 過電圧クランプ
- 負荷電流制限
- 高速熱過渡の自己制限
- 接地損失およびVCC損失
- 温度過昇時に構成可能なラッチオフ電流制限
- 逆バッテリ
- 静電放電保護
アプリケーション
- 車載用スマート配電
- グロープラグ
- 加熱システム
- DCモータ
- リレー交換
- ハイパワー抵抗性および誘導性アクチュエータ
仕様
- 過渡供給電圧(VCC): 40V最大
- 動作電圧範囲: 4V~28V
- 7mΩ(typ)オン状態の抵抗(チャンネルあたり)(RON)
- 100A(typ)電流制限(ILIMH)
- 0.5µA(最大)スタンバイ電流(ISTBY)
- -40°C~150°C接合部動作温度
VN7007ALHTRのブロック図
公開: 2018-08-02
| 更新済み: 2023-02-13
