STMicro L9305 ドライバアーキテクチャは、各チャンネルの電流測定の冗長性を保証します。調整電流は0A ~ 1.5A (通常範囲)の範囲でプログラム可能で、分解能は0.25mA、または0A ~ 2A (拡張範囲)の範囲で0.33mAの分解能が備わっています。ユーザーは、設定可能なディザー変調を設定値電流に重ね合わせることができます。
特徴
- AEC-Q100適合
- 4チャンネル独立LSD/HSD電流制御ドライバ
- 電流センスパス内蔵
- 電流精度(通常レンジ)
- 0〜0.5Aレンジで±5mA
- 0.5A〜1.5Aで±1%
- 電流精度(拡張レンジ)
- 0A〜0.3Aレンジで±15mA
- 0.3A〜0.5Aレンジで±5%
- 0.5A〜2Aレンジで±4%
- 最大ドライバRDSON 375mΩ (175°C時)
- 13ビットの電流設定値分解能
- 可変および固定周波数電流制御
- プログラム可能なディザリング機能
- 選択可能なドライバスルーレート制御
- 安全機能
- ハイサイドフェイルセーフ用VDS モニタ付きイネーブルスイッチプリドライバ
- 冗長化された安全なイネーブルパス
- BISTによる高度な診断と監視
- 温度センサと監視
- 全チャンネル用の冗長化電流センシング
- CRCを含む校正および構成メモリ
- アドレスフィードバック、5ビットCRC、フレームカウンタ、ロング/ショートフレーム検出を使用したセキュアなシリアル通信
- レジスタ検証
- 5ビットCRCメッセージ検証付き32ビットSPI通信
- PWSSO36およびTQFP48パッケージ・オプション
- ISO26262完全準拠、ASIL-Dシステム対応
アプリケーション
- 自動車
- シャーシおよび安全装備
- アクティブサスペンション
- ブレーキシステム
- ABS
- 横滑り防止装置(ESC)
- シャーシおよび安全装備
ブロック図
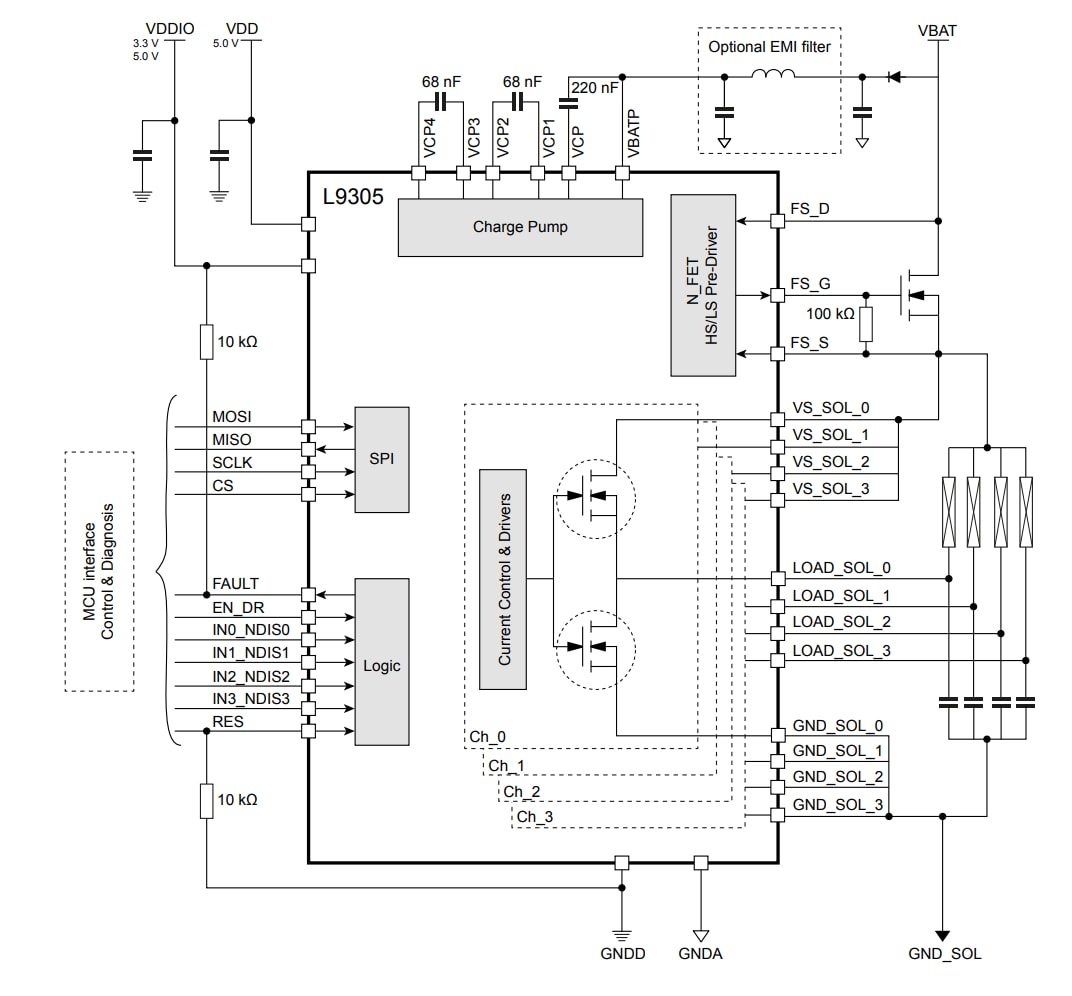
PWSSO36のアプリケーション図
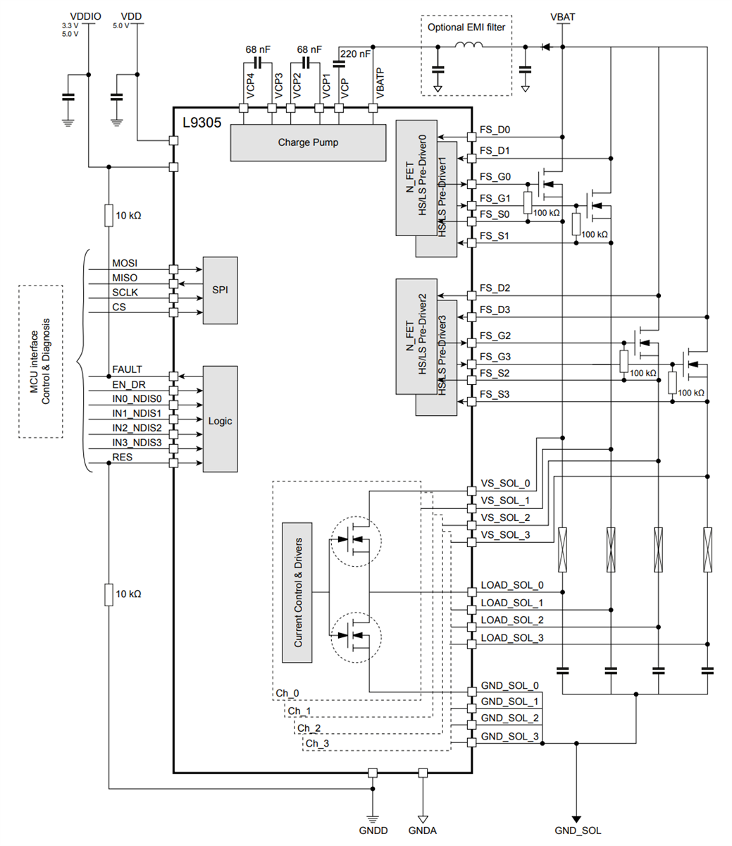
TQFP48のアプリケーション図
公開: 2025-08-08
| 更新済み: 2025-08-19

