STMicro ペリフェラルセンサインターフェイス(PSI5)は、v1.3およびv2.xの両リビジョンと互換性があり、幅広い範囲のセンサ電源電流と可変データワード長(8ビット~28ビット)で動作します。このセンサはECUに取り付けられており、電源供給とデータ伝送に同じラインを使用します。トランシーバICは、センサにあらかじめ安定化された電圧を供給し、送信されたセンサデータを読み取ります。PSI5インターフェイスは、ポイント・ツー・ポイント接続またはバスモードのいずれかを実装します。
特徴
- AEC-Q100認定を取得済み
- v1.3およびv2.xの両リビジョンと互換性のある2チャンネル PSI5トランシーバ
- マンチェスター符号化デジタルデータ伝送
- 125kbpsの高速データ伝送(オプションで83.3kbpsと189kbpsも可能)
- 高いEMC耐性と低エミッション
- インターフェイスピンの電流制限と電圧クランプ
- スペクトラム拡散方式による事前安定化のためのチャージポンプステージを内蔵
- 同期パルス用ブートストラップ回路
- 高精度タイミング制御用のFLLモジュールを内蔵
- 逆電圧保護構造
- 対地間ショート耐性、±1.5Vのグラウンドシフト
- アドレス多重化機能付き32ビットSPIインターフェイス
- 動作電圧: VB = 4.8V(3.5Vステップの同期パルスの場合は5.2V)〜35V
- 周囲温度範囲:-40°C〜140°C
- VFQFPN28またはTQFP32EPパッケージ
アプリケーション
- 自動車:
- シャーシおよび安全装備:
- アクティブサスペンション
- エアバッグシステム
- ブレーキシステム
- ABS
- 電動ブレーキブースター
- 横滑り防止装置(ESC)
- 電動パワーステアリング(EPS)
- シャーシおよび安全装備:
その他のリソース
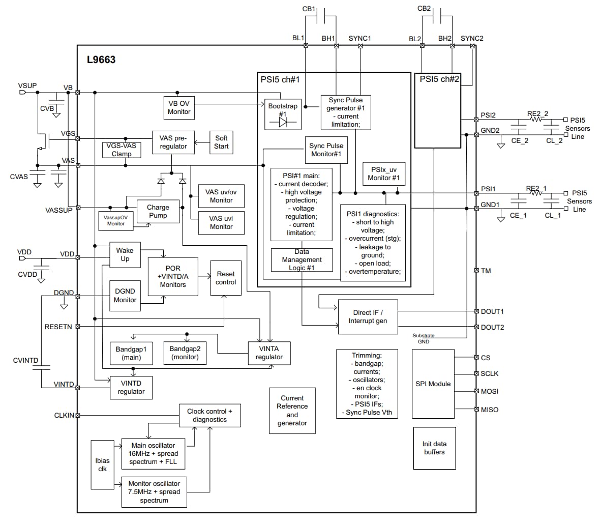
ブロック図
詳細なブロック図
公開: 2025-08-10
| 更新済み: 2025-08-18

