STMicroelectronics L99VR03 レギュレータは、広い温度範囲、ライン、負荷変動にわたって維持される高い出力電圧精度(±2%)を備えています。過熱保護機能を備えているため、レギュレータの出力電流は内部で制限され、デバイスを短絡から保護します。
L99VR03は、ウェッタブルフランク付きVFDFN8L、またはPWSSO12パッケージで提供されます。
特徴
- AEC-Q100認定を取得済み
- 広い入力電圧範囲:最大40V
- 低い静止電流
- 出力電圧オプション:3.3Vまたは5V
- あらゆる動作条件下での出力電圧精度:±2%
- 電圧レギュレータを有効/無効にするイネーブル入力
- サーマルシャットダウンと短絡電流制限
- 低電圧ロックアウトUVLO
- 広い動作温度範囲 TJ = -40°C~175°C
- アプリケーションのスローランプアップの維持
- 電源電圧除去比:>60dB(1kHz時)
- 高性能なラインおよび負荷レギュレーション
アプリケーション
- 車載用MCU電源
- ボディコントロールモジュール
- テレマティクス制御ユニット
- 車載用ヘッドユニット
- ヘッドライト
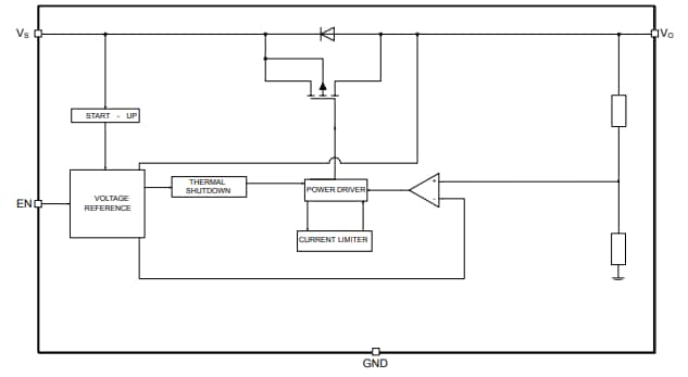
ブロック図
公開: 2025-08-07
| 更新済み: 2025-08-20

