STMicro STPM801ホット・スワップ電圧コントローラは、逆入力保護と出力電圧ホールドアップのためにSCHOTTKYダイオードを交換する2番目のMOSFET(ORing)を駆動する理想的な統合ダイオード・コントローラを備えています。
STPM801コントローラは、MOSFET両端の順方向電圧降下を実装しており、電源障害、電圧低下、入力短絡などの障害が発生する場合に逆電流過渡現象を最小限に抑えます。STPM801は、アプリケーションのTSRに依存して自動車安全水準(ASIL)A-B-C-Dに定められている機能安全要件を満たす必要があるアプリケーションをサポートします。
STPM801、コンパクトな5mmx5mmVFQFN-32パッケージ であり、PCB スペースを節約し、外部コンポーネントの必要性を減らします。このデバイスは、4V~65Vの広い供給電圧範囲内で動作し、25µAの低い自己消費電流で、自動車の電気的危険に対する耐性を保証し、車両の電源がオフになっている場合のバッテリの消耗を最小化します。
特徴
- AEC-Q100認定済み
- シングル・チャネル
- 広い入力電圧範囲:4V~65V
- 逆入力保護:-65V
- 2つの外部NチャンネルMOSFETプリドライバ
- 1つのソフト起動機能
- 1つのO-Ring機能
- 自己消費電流: 50μA未満(低ウェイクの時)
- 統合チャージ・ポンプ
- 過電圧の入力保護
- 不足電圧の入力保護
- 過電流の出力保護
- 16750ACのリップル・テスト要件(50Hz〜25kHz)に準拠
- 外付けコンデンサによる調整可能なソフト起動
- ISO 26262に従って開発され、ASIL Dアプリケーションをサポートします
アプリケーション
- ゾーン/ボディ電子制御ユニット(ECU)
- 自律走行ECU
- 先進運転支援システム(ADAS)
- インフォテインメントECU
- 冗長電源供給システム
- デュアルバッテリ・セットアップ
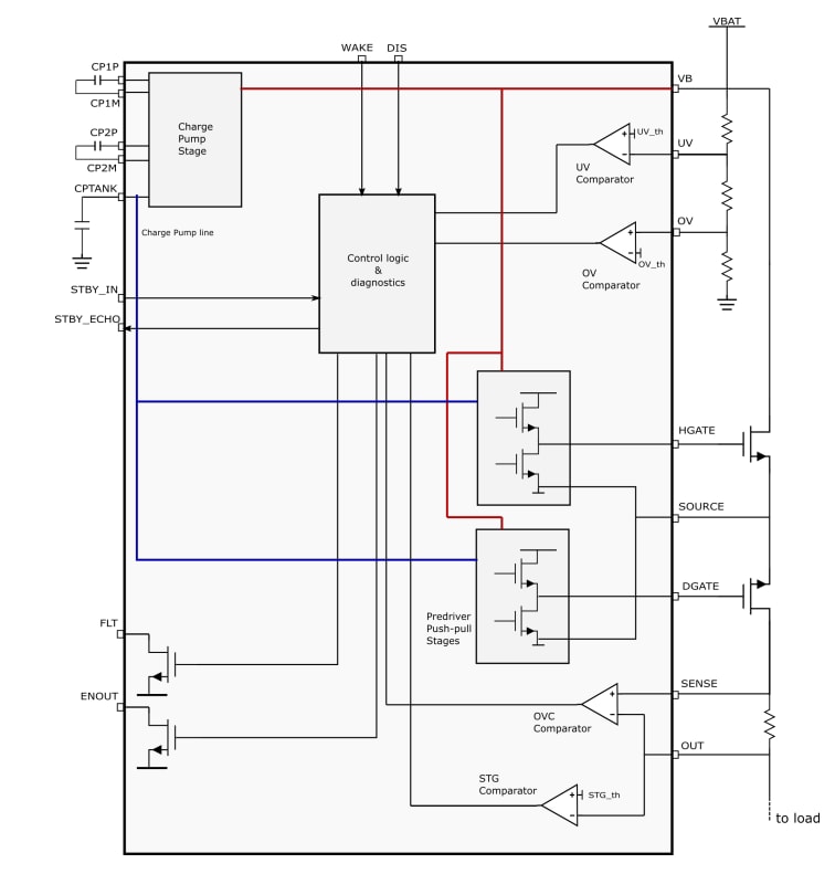
ブロック図
公開: 2023-05-11
| 更新済み: 2023-07-21

