特徴
- 20W + 20W連続出力電力:
- RL = 8Ω、THD = 10% @ VCC = 18V
- 広範な単電源動作(5V~18V)
- 高い効率性(η = 90%)
- 一般的に20dB、26dB、30dB、32dBの4つの選択可能な固定ゲイン設定
- 差動入力によって、コモンモード・ノイズを最小化
- 電源オン/オフ時の「ポップ」なし
- スタンバイ機能、ミュート機能
- 短絡保護
- サーマル過負荷保護
- 外部同期
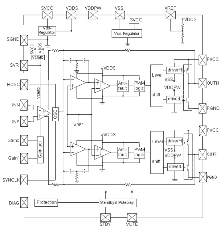
内部ブロック図(1つのチャネルのみを示す)
公開: 2018-11-20
| 更新済み: 2023-02-23

