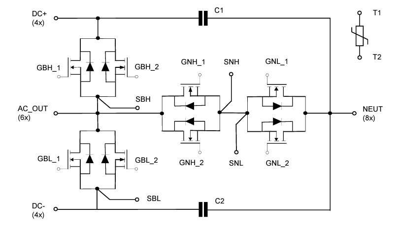
特徴
- NHおよびNL @ 750V、各スイッチの標準RDS (on) 6mΩ
- BHおよびBL @ 1,200V、各スイッチの標準RDS (on) 9.5mΩ
- 絶縁:3kVRMS
- 統合NTC温度センサ
- DCバスとニュートラルの間のDCリンクコンデンサ
- AINDBC熱性能の向上
- 圧入コンタクトピン
仕様
- ドレイン・ソース破壊電圧:750V
- ゲート・ソース間電圧:-10V ~ 22V
- ゲート・ソース間電圧:-5V ~ 18V、推奨動作値
- ドレイン電流(連続):180A@TH = 25°C
- 反復ピークドレイン電流:360A
- 接合部動作温度範囲:-55°C ~ 150°C
電気トポロジーとピンの説明
公開: 2024-08-22
| 更新済み: 2024-09-20

