STMicroelectronics L99H92車載用ハーフブリッジ・プリドライバ
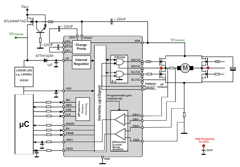
STMicroelectronics L99H92車載用ハーフブリッジ・プリドライバは、車載アプリケーションのDCモータ制御用に、シングルHブリッジまたはデュアル独立ハーフブリッジ構成で4つの外付けNチャネルMOSFETトランジスタを駆動します。また、2つのフリー構成可能な電流センスアンプも統合されています。低消費電力モード(スタンバイモード)では、電流消費は5µA未満です。プログラマブルゲート駆動電流によって、EMIを最小限に抑えることができます。各ゲートドライバは、障害状態のために外部MOSFETドレイン-ソース間電圧を監視(独立)します。プログラマブルなクロス電流保護時間によって、各ハーフブリッジのハイサイドとローサイドの起動同時を防止します。STMicroelectronics L99H92は、2つのoff状態診断コンパレータを備え、接地への短絡、バッテリへの短絡、またはオープン負荷状態を検出します。統合標準シリアル・ペリフェラル・インターフェイス(SPI) は、デバイスを制御し、診断情報を提供します。追加の診断出力ピンは、SPI通信よりも速くデバイスで発生する障害をマイクロコントローラに警告します。L99H92には、供給電圧監視、充電ポンプ電圧監視、過電流保護、温度警告、温度過昇シャットダウンといった診断と保護機能が実装されています。このデバイスは、TQFP32およびQFN32パッケージでホストされており、どちらも露出パッドが備わっています。QFN32には、はんだ接合部の目視検査を容易にするウェッタブルフランクがあります。
特徴
- AEC-Q100準拠
- 4.51V~28Vの電源動作範囲(5.41Vから動作するゲートドライバ)
- 3.3V/5V互換I/O
- マイクロコントローラ、フェイルセーフ入力、VDDにリンクされたすべてのピンに、バッテリ暴露に対する耐性あり
- 標準レベルのスレッショルドNMOSFETと互換性のあるデュアル・ハーフブリッジ・ドライバ
- 構成可能なフルブリッジまたはデュアル独立ハーフブリッジ制御、フルブリッジ制御の場合のプログラマブル再循環パス
- 最低5.41Vバッテリ電圧までの100% PWMデューティサイクルをサポートしているデュアル段充電ポンプ
- 高圧側および低圧側最低VGS=6.2V @ VDH = 5.5Vおよび5mAと同等の充電ポンプ負荷電流(ICPLOAD)
- 高圧側および低圧側最低VGS=8.2V @ VDH > 8Vおよび10mAと同等の充電ポンプ負荷電流(ICPLOAD)
- 外部逆バッテリNMOSFET保護の駆動に使用できる充電ポンプ出力
- 出力電圧スルーレート制御のためのプログラマブル・ゲート駆動電流(最大170mA)
- 過電流保護およびプログラマブルクロス電流保護時間(デッドタイム)のためのプログラマブル・ドレイン-ソース監視
- off状態診断モードでのオープン負荷および出力短絡検出
- 制御と診断用のSPI (ST SPI 4.1)
- プログラマブル診断出力
- 2x独立した電流センスアンプ
- 極めて低い熱ドリフトが備わった低オフセット
- ハイサイド、インライン、ローサイド電流センシングに最適
- 独立したプログラマブルゲイン(10x、20x、50x、100x)
- VDD/2またはVDD/22を中心としたアナログ出力
- 過熱の事前警告とシャットダウン
- アナログおよびデジタル電源入力過/低電圧保護
- すべてのMOSFETのスイッチをオフにする非同期およびロジック独立フェイルセーフ入力
- 小自己消費電流
- ASIL Bに応じたランダムHW障害をサポート
- QFN32 (ウェッタブルフランク構造採用)またはTQFP32 (7mm x 7mm) パッケージオプション
- RoHS準拠デバイス
アプリケーション
- サンルーフ
- パワートランク・リフトゲート
- スライディングドア
- ウィンドウリフト、シートベルトプリテンショナ、その他
ブロック図
アプリケーション図
公開: 2024-05-02
| 更新済み: 2024-05-14
