STMicroelectronics L99VR02XPデュアル車載用電圧レギュレータ
STマイクロエレクトロニクス (STMicroelectronics) L99VR02XP デュアル車載用電圧レギュレータは、車載アプリケーション向けにPowerSSO-36 パッケージで開発されています。このLDOは、最大2 × 250mAの出力電流を供給し、レギュレータのディスエーブル時では、出力あたりわずか1μAの自己消費電流で動作します。入力は、ロードダンプに耐えるために40V 許容であり、動作入力電圧範囲は2.15V~28Vです。L99VR02XPの各出力は、SELxピンを介して、固定出力電圧(0.8V、1.2V、1.5V、1.8V、2.5V、2.8V、3.3V、または5V)を設定できます。広い温度範囲、ライン変動、および負荷変動にわたって、高い出力電圧精度(±2%)が維持されます。STMicro L99VR02XPレギュレータには、リセット、イネーブル、自律ウォッチドッグ、高度熱警告、サーマルクラスタ、高速出力放電が備わっています。LDO2、内蔵LDO1、外部電圧レギュレータ、IShort制御に関する自動電圧(デ)トラッキング。レギュレータの出力電流は内部的に制限されており、短絡および過負荷からデバイスを保護します。同様に、過温度保護が特徴です。短絡電流値は外部抵抗によって構成できます。L99VR02XPは、ポスト安定化、事前安定化電圧に接続、あるいはバッテリに直接接続できます。
特徴
- AEC-Q100適合
- 動作DC電源電圧範囲: 2.15V ~ 28V
- 出力保護対バッテリへの短絡
- バッテリモードとポストレギュレーション動作モードが可能
- 低ドロップアウト電圧
- 低自己電流消費
- デュアル出力電圧
- ユーザーが選択できる出力電圧(0.8V、1.2V、1.5V、1.8V、2.5V、2.8V、3.3Vまたは5V)
- 出力電圧精度±2%
- 電圧レギュレータを有効/無効にするイネーブル入力
- リセット出力を活用した電圧モニタリング
- 負荷コンデンサの出力電圧安定性に関して無視できるESR効果
- プログラマブル自律ウォッチドッグおよび外付けコンデンサ経由のリセットパルス遅延
- 低電圧誤動作防止(UVLO)
- 高速出力放電
- サーマルシャットダウンおよび短絡保護
- 高度な熱警告と過電圧診断
- サーマルクラスタ
- プログラム可能な短絡出力電流
- 広い動作温度範囲(TJ = -40°C〜+175°C)
- LDO1または外部電圧レギュレータに対するLDO2の自動電圧(ディ)トラッキング機能
- ISO 2626に準拠したASIL要件に対処する際にサポートが必要なお客様に限定文書をご提供
仕様
- 最高供給電圧(負荷ダンプ):40V
- 最高出力電圧公差:±2%
- 出力電流:2x 250mA
- 静止電流:≦1µA
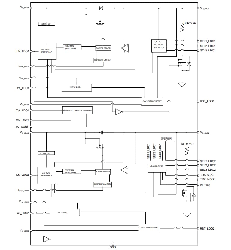
ブロック図
公開: 2025-07-22
| 更新済み: 2025-11-06
