STMicroelectronics M1P45M12W2-1LA ACEPACK DMT-32パワーモジュール
STMicroelectronicsM1P45M12W2-1LAACEPACK DMT-32パワーモジュールは、オンボード充電器(OBC)のDC/DCコンバータ段階に合わせた統合NTCを備えた6パックトポロジーを実現しています。このパワーモジュールは、オンボード充電器(OBC)で使用されます。M1P45M12W2-1LAパワーモジュールは、エネルギー損失と高スイッチング周波数運転の最適なバランスを保証します。このパワーモジュールは、非常に高い電力密度と高効率の要件を持つ複雑なトポロジーの構築を可能にします。このパワーモジュールはAQG 324認定を受けています。M1P45M12W2-1LAパワーモジュールは、第2世代の炭化ケイ素パワーMOSFETを6個搭載しています。特徴
- AQG 324認定
- 統合NTC温度センサ
- 熱性能を向上させるDBC Cu-AlN-Cuベース基板
仕様
- 1,200Vドレイン・ソース破壊電圧
- 連続ドレイン電流:30A(TC= 50°C時)
- パルスドレイン電流:95A(tp= 1ms時)
- 動作温度範囲:-40°C~175°C
アプリケーション
- オンボード充電器(OBC)
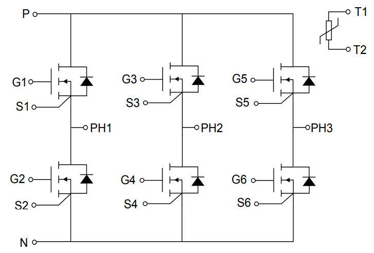
電気トポロジー
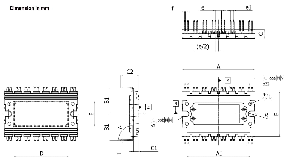
エースパック DMT-32パッケージの外形
公開: 2024-09-18
| 更新済み: 2024-10-10
