STMicroelectronics STEVAL-MKI236A 2xASM330LHBアダプタボード
STMicroelectronics STEVAL-MKI236A 2xASM330LHBアダプタボードは、ASM330LHB製品ファミリ内のMEMSデバイスの評価を容易にするように設計されています。このアダプタには、VDD およびVDDIO の電源各ラインでの完全なASM330LHB製ピン配列品、ならびにすぐに使用できるデカップリング製コンデンサが含まれています。STEVAL-MKI236Aボードは、標準のDIL24ソケットに差し込むことができ、迅速なシステムプロトタイピングとデバイス評価のための効率的なソリューションを提供します。このアダプタボードは、センサとPC間のブリッジとして機能する高性能 32 ビットマイクロコントローラを組み込んだSTEVAL-MKI109V3マザーボードによってサポートされます。代表的なアプリケーションには、衛星の正確な測位、ADASシステム、アクティブ サスペンション、レーダー、LiDAR、カメラのデジタル安定化、およびモーション アクティベート機能が含まれます。特徴
- 標準DIL24ソケット用の完全なASM330LHBピン配列
- 迅速なシステム開発プロトタイピングとデバイスの評価高速化のための効率的なソリューション取り組みを実現
- STEVAL-MKI109V3 マザーボードに完全に互換
- RoHS準拠
アプリケーション
- 衛星による精密測位
- ADASシステム
- アクティブサスペンション
- レーダー、LiDAR、カメラのデジタル安定化
- 動き有効化機能
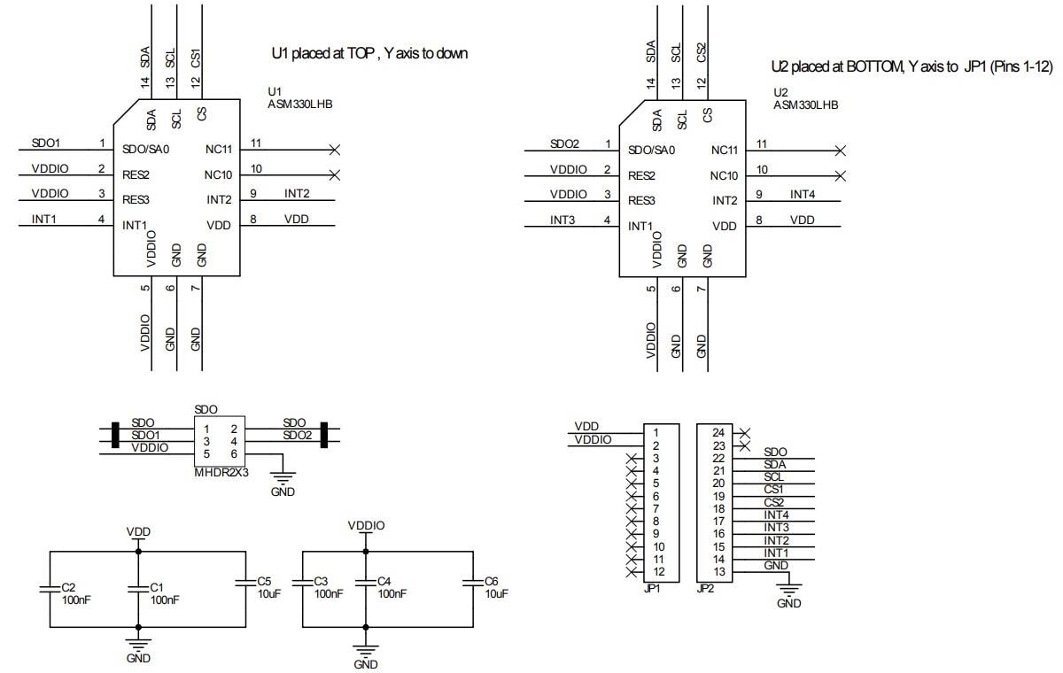
回路図
公開: 2023-04-26
| 更新済み: 2023-05-03
