STMicroelectronics STPM098Cデュアル・デジタル8相コントローラ
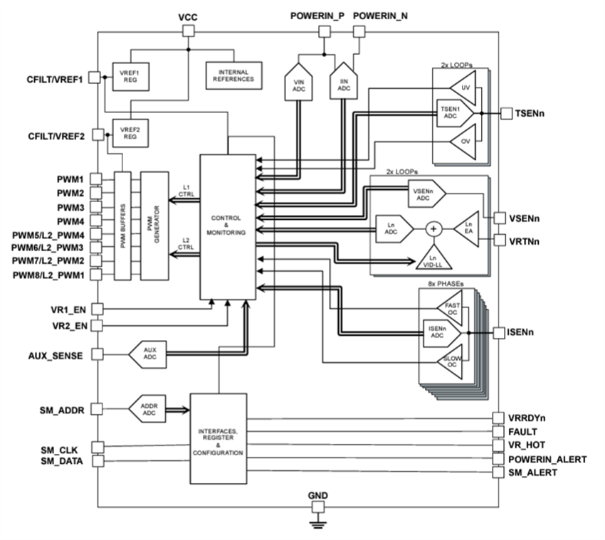
STMicroelectronics STPM098Cデュアル・デジタル8相コントローラは、車載アプリケーション向けの不揮発性メモリ(NVM)とPMBus™ インタフェースを内蔵したデュアル・ループ・デジタル多相降圧コントローラです。STPM098Cは、プロセッサ・コアやメモリといった高電力を必要とする負荷の電力の管理に使用されます。最大8つの外部ドライバ+ MOSを制御します。また、2つのループによって、 の供給を最大2つの異なる電圧が可能になります。コンスタント・オンタイム(COT)スキームに基づいた高度な制御ループアーキテクチャによって、高速過渡応答と高い効率性が実現しています。また、このデバイスには、位相インターリーブおよびダイナミック位相追加/ドロップも搭載されており、軽負荷範囲の効率性向上を目的としています。STMicroelectronics STPM098Cは、ver.1.2準拠のPMBus通信をサポートしており、電圧、電流、電力、温度、障害信号のテレメトリを報告するための8つの可能なインターフェイスアドレス値が備わっています。プログラマブルパラメータは、PMBusインターフェイスを介して構成でき、オンチップNVMに保存でき、外付け部品を最小限に抑えます。また、STPM098Cは、出力電圧での独立した低電圧/過電圧(UV/OV)、ループフィードバック切断、位相電流アンバランシング、正と負の両方の位相電流を対象としたデュアル閾値過電流をはじめとする、広範な監視装置システムと障害保護も実現しています。
特徴
- 保護と診断:
- PmBus™読取可能入力テレメトリ(電圧、電流、電力)
- 入力メトリクスでのPMBus構成可能な過電流、低電圧、過電力診断と保護
- 各ループのPMBus読取可能出力テレメトリ(電圧、電流、温度)
- 各ループの出力メトリクスで構成できる不足/過電流、不足/過電圧診断、保護
- PMBus で設定可能な低/過電流、低/過電圧診断、および各ループの出力メトリックの保護
- PMBus読取可能単相電流テレメトリ
- PMBus構成可能単相過電流診断と保護
- PMBus構成可能な汎用UV/OV診断完全ピンAUX _ SENSE
- フィードバックループ切断診断
- 内部温度過昇診断と保護
- PMBus読取可能Tj測定
- 接地損失診断
- システムクロック監視
- 電源ピンVCC 、VREF1 、VREF2 過電圧および低電圧診断
- SM _ ALERT、Fault、VRRDY1、VRRDY2ピンを介した障害状態フラグ出力
- AEC-Q100準拠
- 2つのループ間の位相割当: 8 + 0 ~ 4 + 4
- 出力電圧範囲0.5V~2V
- 動作電圧範囲: 4.75V~5.25V
- スイッチング周波数範囲:200kHz~1.5MHz
- 超軽負荷のためのプログラマブルダイナミック位相制限動作、および超軽負荷のためのアクティブダイオードエミュレーション
- 高性能デジタル制御ループ
- 組み込みCPU ARM Cortex™ M0 + @ 40MHz
- 組み込みNVM
- PmBus™ rev 1.2 (400kHz最高周波数)
- 動作温度範囲:-40°C~+125°C
- ジャンクション温度範囲:-40°C~++150°C
- 完全ISO26262準拠、ASIL-Dシステム対応
- 7,0mm x 7,0mm x 0.9mm、VFQFN 48 + 4Lパッケージ
アプリケーション
- ADAS システム
- ハイパワーマイクロプロセッサ
- DDRメモリ
簡略ブロック図
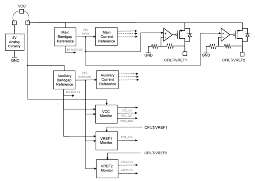
内部電源の簡略ブロック図
VCC 電源は、STPM098Cの主電源入力です。VCC レールは、その後の内部目的回路(すなわちバンドギャップ、監視装置、内部レギュレータ制御ループ)に給電することによって、パワーアップおよびパワーダウン・シーケンスを開始します。VCC ピンから、リファレンス構造は2つの独立したインスタンスに複製されており、共通の原因障害(メイン1つと補助1つ)を回避できます。
VREF1レギュレータの簡略ブロック図
STPM098Cのデジタルコア用の内部供給レールは、PMOS出力段およびVCC ピンによって供給される外部タンク容量が備わっている電流制限LDOレギュレータによって生成されます。さらに、VREF1 レギュレータは、最大8つの外部DrMOS電流測定アナログ出力の基準電圧として設計されています。
VREF2レギュレータの簡略ブロック図
PWM出力バッファ用の内部供給レールは、PMOS出力段およびVCC ピンによって供給される外部タンク容量が備わっている電流制限LDOレギュレータによって生成されます。VREF2 レギュレータは、PMBusピンSM _ DATA、SM _ CLK、SM _ ALERTの外部プルアップ抵抗(4.7kΩ)用の供給電圧を意図しています。
