STMicroelectronics STSPIN948スケーラブル・デュアル・フルブリッジ・ドライバ
STMicroelectronics STSPIN948スケーラブルデュアルフルブリッジドライバは、ブラシ付きDCモータまたはバイポーラステッパモータ用の4.5Aデバイスです。この電力段は、高ダイナミック性能設計で、ユーザーは正確な負荷サイクルで高周波PWM制御を達成できます。各フルブリッジは、調整可能な閾値電流リミッタとオフタイム搭載で独立しており、低速または混合減衰選択を備えています。外部シャント抵抗器を使用すると、固定増幅係数を備えた2つのアンプによる電流センシングが可能です。調整可能なスルーレートにより、性能とEMIとの間の最適なトレードオフが保証されます。多様な動作モードを提供する汎用性の高い パワーステージは、高い柔軟性を実現します。STマイクロエレクトロニクス (STMicroelectronics) STSPIN948は、過電流、過温度、低バス電圧検出をはじめとする完全な保護機能セットを提供します。特徴
- 動作電圧:最大58V
- 最大出力電流:4.5ARMS
- フルブリッジおよびデュアルハーフブリッジパラレルモードを用いた5つの駆動方法
- RDS(ON) HS+LS = 標準0.36Ω
- 調整可能なパワーMOSスルーレート
- 2倍の異なる組み込み電流制御技術を用いた統合型アンプ
- 低速または混合減衰で調整可能なオフタイム
- 低消費電力スタンバイ
- 保護
- UVLO
- 過電流保護
- 熱シャットダウン
アプリケーション
- ステージ照明
- ファクトリーオートメーション
- ATMと現金現金処理機
- 繊維機械
- 家電製品
- ロボット工学
- アンテナ制御
- 自動販売機
仕様
- 制御ロジック供給電圧範囲:2.8V~3.6V
- 電力段供給電圧範囲:5.2V~58V
- 最大供給電圧勾配:0.5V/µs
- 標準ブートストラップオーバードライブ電圧:3V
- 低圧側ソース電圧範囲:-0.6V~+1V
- ロジック入力範囲:0V~5V
- 最大DC出力電流:最大4.5ARMS
- 最大オープンドレイン出力シンク電流:最大8mA
- 電流リミッタ時間設定抵抗器範囲:10kΩ~120kΩ
- 電流リミッタ時間設定コンデンサ範囲:0.1nF~5.6nF
- 最小PWMパルス幅:280ns
- 標準充電ポンプコンデンサ充電時間:170µs
- スイッチング周波数範囲:0kHz~500kHz
- 標準ブートストラップコンデンサ:1µF
- 標準充電ポンプコンデンサ:100nF
- 温度範囲
- -40℃~+85°C周囲温度
- -40°C ~ +150°C接合部
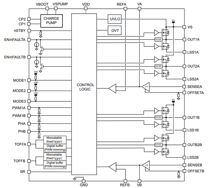
ブロック図
ビデオ
公開: 2023-07-24
| 更新済み: 2025-12-18
