EPCOS / TDK CarXield B84252パワーEMCフィルタ
TDK CarXield B84252パワーEMCフィルタは、電力線アプリケーションでの際立ったEMI抑制を実現するように設計されています。B84252A0200A000は、500VDC の定格電流と200A〜400Aの定格電圧に対応しており、一方、B84252B0400A000は、1000VDC の定格電圧と400Aの定格電流を提供します。これらのフィルタはどちらも、高減衰とコンパクト設計を実現しています。CarXieldフィルタは、EMIノイズ抑制に最適で、コモンモードと差動モードノイズを効果的に抑制することによって機密機器の信頼性の高い動作が保証されます。TDK CarXield B84252パワーEMCフィルタは、受動放電回路、簡単な設置、コンパクトな設計、厳しい周囲条件抵抗が特徴です。特徴
- 受動放電回路
- 簡単で迅速な設置
- コンパクトな設計
- 厳しい周囲条件
- Y2コンデンサ使用
- X2コンデンサ使用(B84252A0200A000のみ)
アプリケーション
- さまざまなトポロジ
- モータ・インバータ
- バッテリー
- EMIノイズ低減
- 商用および乗客用電気自動車
仕様
- 共通
- 動作温度範囲:-40°C~+85°C
- IP00保護レベル
- UL 94 V-0難燃性等級
- 金属ケース/プラスチックカバー
- ナノ結晶コアで構築
- RoHS、REACH、ガドス互換性
- B84252A0200A000
- 定格電圧:500VDC
- 定格電流:200A~400A
- B84252B0400A000
- 定格電圧:1000VDC
- 400A 定格電流
データシート
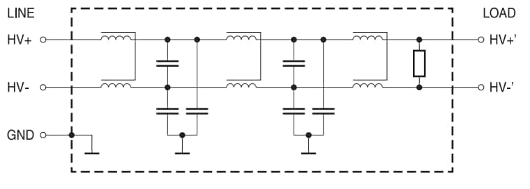
一般的な回路図
ビデオ
公開: 2025-05-08
| 更新済み: 2025-12-19
