![]() | ||||||||||||||||||
TDK Corporation CCTシリーズセンサTDK CCTシリーズAC電流センサには、開回路保護デバイスが内蔵されており、既存の電源装置での簡単なインストールを目的としたクランプタイプが特徴です。 このシリーズは、ワイヤラッピングおよび巻線からはんだ付けに至るまでの自動プロセスに対応しており、高品質と安定した供給が保証されます。
| ||||||||||||||||||
| ||||||||||||||||||
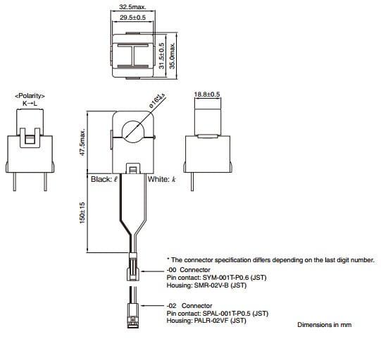
CCT323047タイプの寸法![]() | ||||||||||||||||||
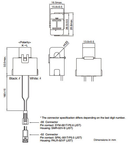
CCT261631タイプの寸法![]() | ||||||||||||||||||
![]() | ||||||||||||||||||
公開: 2015-02-13
| 更新済み: 2022-03-11






