TDK InvenSense IIM-42653 SmartIndustrial™モーショントラッキングデバイス
TDK InvenSense IIM-42653 6軸SmartIndustrial™モーショントラッキングデバイスは、-40°C~+105°Cの拡張動作温度範囲をサポートしています。このデバイスには、3軸ジャイロスコープと3軸加速度センサが組み合わされており、コンパクトな2.5mm x 3mm x 0.91mmパッケージに収められています。IIM-42653は、シリアルバスインターフェイス上のトラフィックを低減する2KB FIFOが特徴で、システムプロセッサがセンサデータを読み取り、低電力モードに切り替えることによって消費電力を低減します。高精度の外部クロック入力がサポートされており、システムレベルの感度誤差を低減し、ジャイロスコープデータからの全体的な方向測定を改善できます。ホストインターフェイスは、I3CSM 、I2C、またはSPIサブモードをサポートしています。I3CSM インターフェイスは最大12.5MHzの速度をサポートし、I2Cインターフェイスは最大1MHz、SPIインターフェイスは最大24MHzの速度をサポートしています。TDK InvenSense IIM-42653 6軸SmartIndustrial モーショントラッキングデバイスは、ナビゲーション、方向機器、傾斜センシング、ロボットアプリケーションに適しています。特徴
- デジタル出力X、Y、Z軸加速度センサ
- デジタル出力X、Y、Z軸角速度センサ(ジャイロスコープ)
- ユーザープログラマブル割込
- I3CSM / I2C / SPIサブホストインターフェイス
- デジタル出力温度センサ
- 小型・薄型パッケージ
- ウェハーレベルで密閉封止されたMEMS構造
アプリケーション
- ナビゲーション
- 方向測定
- 傾斜感知
- プラットフォームの安定化
- ロボット工学
仕様
- 14ピンLGAパッケージ
- 動作電圧範囲: 1.71V~3.6V
- 寸法:2.5mm x 3mm x 0.91mm
- 耐衝撃性:20,000g
- RoHS準拠および環境配慮
- 動作温度範囲:-40°C~+105°C
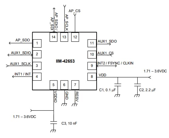
代表的な動作回路
公開: 2024-03-20
| 更新済み: 2024-08-29
