TE Connectivity / CII FC-335汎用リレー
TE Connectivity / CII FC-335汎用リレーは、非ラッチ密閉コイルタイプで、3PST(3極単投)またはNO(セキュリティ・コンタクト)の形になっています。FC-335高電圧リレーは、はんだフックとネジコンタクト端子で利用可能で、28VDCコイル電圧が抑制されています。これらのリレーの主コンタクトは、360〜800Hz可変周波数アプリケーションでの使用に適しています。FC-335リレーは、80,000フィートの高度、3極35Aコンタクト、1.5インチ3スイッチング、50g/11ms衝撃が特徴です。これらの汎用リレーは、-70ºC~125ºCの温度範囲で動作します。FC335リレーは、腐食保護された金属缶で設計されており、全溶接構造になっていて、MIL-PRF-6106に従って構築されています。特徴
- 3-pole 35A contacts
- 28VDC and 115VAC coils
- 1.5"3 switching
- 80,000 feet altitude
- 50g/11ms shock
- 2ms maximum bounce time at a nominal voltage
- -70°C to +125°C temperature range
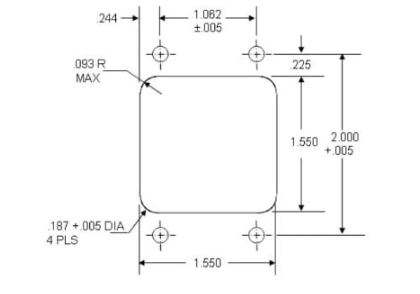
Solder Hook Mounting Layout
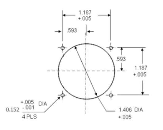
Screw Mounting Layout
View Results ( 8 ) Page
| 部品番号 | 接点端子 | 切替電圧 | コイル電圧 | 高さ | データシート |
|---|---|---|---|---|---|
| FC-335-CW4 | Solder Hook | 115 VAC, 28 VDC | 28 VDC | 1.68 in | ![]() |
| FC-335-CW3 | Solder Hook | 115 VAC, 28 VDC | 28 VDC | 1.68 in | ![]() |
| FC-335-SY9 | Screw | 115 VAC, 28 VDC | 115 VAC | 2.41 in | ![]() |
| FC-335-CW8 | Solder Hook | 115 VAC, 28 VDC | 115 VAC | 1.68 in | ![]() |
| FC-335-CW9 | Solder Hook | 115 VAC, 28 VDC | 115 VAC | 1.68 in | ![]() |
| FC-335-SY4 | Screw | 115 VAC, 28 VDC | 28 VDC | 2.41 in | ![]() |
| FC-335-SY3 | Screw | 115 VAC, 28 VDC | 28 VDC | 2.41 in | ![]() |
| FC-335-SY8 | Screw | 200 VAC | 115 VAC | 2.41 in | ![]() |
公開: 2017-12-27
| 更新済み: 2023-05-04

