TE Connectivity KEB & KES 3相汎用EMIフィルタ

TE Connectivity(TE)のKEBおよびKES 3相汎用EMIフィルタは、3線式デルタ(KEB)および4線式WYE(KES)型式の単段デバイスです。TEのKEBおよびKES 3相汎用EMIフィルタは、スペード、スタッド、または耐衝撃端子が特徴で、1A~150A電流範囲ならびに440VAC / 520VAC(最高)連続動作範囲が備わっています。アプリケーションには、産業オートメーション、HVAC、整流器、コンピュータ数値制御(CNC)マシンがあります。

特徴

  • シングルステート、3線式デルタ(KEB)または4線式 WYE (KES)
  • スペード、スタッド、または耐衝撃端子
  • 汎用(ニュートラルの三相)
  • 標準減衰性能
  • シャーシ取付
  • UL認定およびCSA認証済

アプリケーション

  • 産業用オートメーション
  • 冷暖房空調機器
  • 整流器(KEB)
  • CNCマシン (KES)

仕様

  • 440VAC または520VAC 最高連続動作電圧
  • +40°C電流定格で1A~150A
  • 動作周波数: 50Hzまたは60Hz
  • 動作温度範囲:-25°C~+85°C

データシート

KEBの回路図

アプリケーション回路図 - TE Connectivity KEB & KES 3相汎用EMIフィルタ

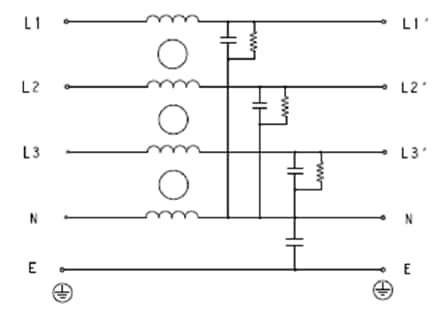
KESの回路図

アプリケーション回路図 - TE Connectivity KEB & KES 3相汎用EMIフィルタ
公開: 2020-09-16 | 更新済み: 2024-10-09