TE Connectivity SMI低圧力デジタル/アナログセンサ
TE ConnectivityのSMI低圧力デジタル/アナログセンサは、完全に調整され、多段階の圧力補正と温度補正を施した出力を提供するMEMSセンサです。これらのセンサは、最新の圧力トランスデューサテクノロジーとCMOSミックスドシグナル処理テクノロジーを採用しています。これらのセンサは、JEDEC標準規格のSOIC-16パッケージを採用し、垂直または水平のポート配置が選択可能です。SMIデジタル/アナログセンサは、ゲージ型、差圧型、および非対称差圧型の構成で提供されています。圧力範囲は0.07PSI~2.49PSIです。これらのセンサは、二重ポート設計により基準測定が可能で、周囲温度の変化による誤差を最小限に抑えます。SMI低圧力デジタル/アナログセンサは、±1% FS(デジタル)および±1.5% FS(アナログ)の総誤差範囲を特徴としています。これらのセンサは標準的なプリント基板に直接実装でき、デジタルインターフェイスから高精度に校正された圧力信号を取得できます。これにより、補償ネットワークや独自の補正アルゴリズムを搭載したマイクロコントローラなど、追加の回路図が不要になります。代表的なアプリケーションには、人工呼吸器、ガス流量計器、圧力トランスミッタ、空気圧ゲージ、圧力スイッチ、安全キャビネットなどがあります。
特徴
- 0.07PSI 2.49PSI圧力範囲
- 圧力タイプ:
- Gage
- 差動
- 非対称差圧
- 16ビットI2Cデジタルおよびアナログ出力インターフェイス対応
- 総誤差範囲:
- ±1% FS(デジタル)
- ±1.5% FS(アナログ)
- 圧力校正済み、温度補償出力
- 補償温度範囲: -20°C~85°C
アプリケーション
- CPAP/睡眠時無呼吸症候群
- 人工呼吸器
- ガス流量計測機器
- 気流測定
- HVAC/VAV
- 圧力トランスミッタ
- 空気圧ゲージ
- 圧力スイッチ
- 安全キャビネット
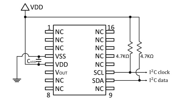
標準アプリケーション回路
公開: 2025-06-09
| 更新済み: 2025-06-11
