TE Connectivity SPE T1産業用コネクタIP20
TE ConnectivityのSPE T1産業用コネクタIP20は、1組(2本)の銅線のみでのイーサネット伝送に特化したシングルペアイーサネット(SPE)です。これらの産業用コネクタIP20は、PoDL(power over data line)つまり同じ1組のワイヤを使用してリモートデバイスに電力を供給できます。SPE T1コネクタは、最大1Gb/s通信、IEC63171-6標準化インターフェイス、-40°C ~ 85°Cの動作温度範囲、60VDC の動作電圧が特徴です。これらの工業用コネクターIP20は、より柔軟性があり、直径が小さく、ケーブルの重量が軽いため、アプリケーションをより速く動かし、より少ないエネルギーで使用することができます。SPE T1産業用コネクタIP20は、IEC 63171-6およびUL1977規格を満たしており、センサ、アクチュエータ、スイッチ、機械、ロボット工学で の使用に最適です。特徴
- ツイストペアケーブル1本
- 通信 最大1Gb/s
- IEC63171-6標準化インターフェイス
- 直径が小さく、柔軟性に富んだ軽量ケーブルを採用し、アプリケーションでの素早い移動とエネルギー使用量の削減を実現
- 360度密閉
- コネクタのフォームファクタが小さく、次世代アプリケーションの小型化が実現
- PoDLサポート
- 簡単で迅速なケーブルコネクタアセンブリによって設置コストを削減
- リフローはんだ付けが可能なSPEボードコネクタは、最新の業界アセンブリ工程をサポート
- ケーブルコネクタには、ダウンタイムを削減する信頼性の高い圧着コンタクトが採用されています。
仕様
- 動作電圧:60VDC
- 誘電体耐電圧:
- 接点-接点間 1kV DC
- 誘電体耐電圧:
- 接点-シールド間 1.5kV AC RMS
- スルーホールリフロー(THR)はんだ(ボード)と圧着コンタクト(ケーブル)
- -40°C~85°Cの動作温度範囲
- 導体断面範囲 26AWG~22AWG
- ワイヤ外径 4.5mm~5.5mm
アプリケーション
- センサ
- アクチュエータ
- スイッチ
- 機械
- ロボット工学
2364150-1の寸法図面
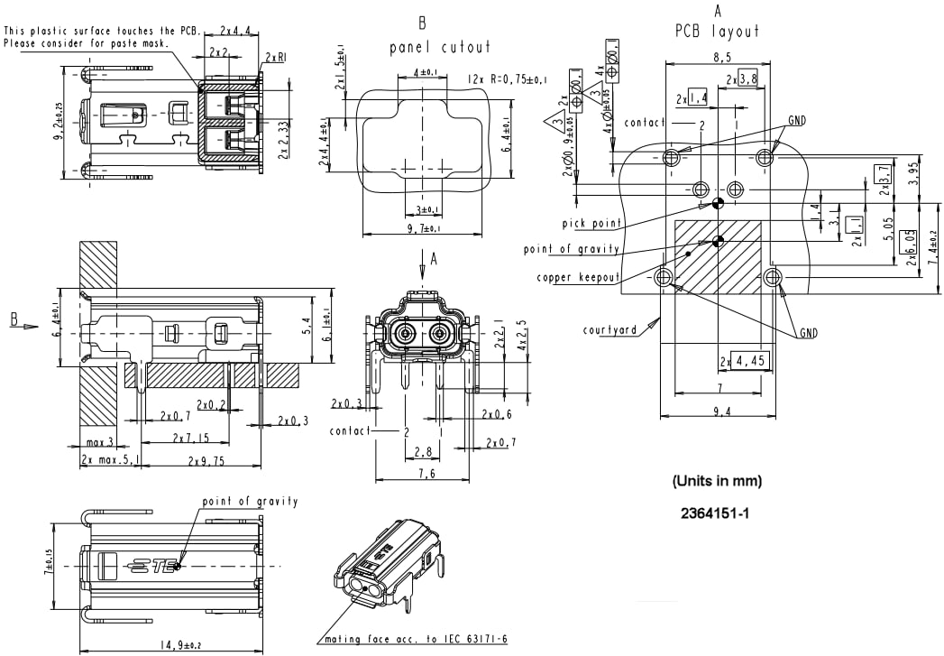
2364151-1の寸法図面
2368258-1、2368258-2の寸法図面
2368260-1の寸法図面
2368261-1の寸法図面
View Results ( 6 ) Page
| 部品番号 | データシート | 製品 | 末端様式 | 定格電圧 | ワイヤゲージ | IP 定格 | 製品タイプ | 取り付け角度 | 取り付け様式 |
|---|---|---|---|---|---|---|---|---|---|
| 2364151-1 | ![]() |
Connectors | Solder | 60 VDC | IP20 | Modular Connectors / Ethernet Connectors | Right Angle | Through Hole | |
| 2364150-1 | ![]() |
Connectors | Crimp | 60 VDC | IP20 | Modular Connectors / Ethernet Connectors | Straight | Cable Mount | |
| 2368258-2 | ![]() |
Contacts | Crimp | 22 AWG | Terminals | ||||
| 2368260-1 | ![]() |
Multi-Tools | Crimpers | ||||||
| 2368261-1 | ![]() |
Multi-Tools | Crimpers | ||||||
| 2368258-1 | ![]() |
Contacts | Crimp | 26 AWG | Terminals |
公開: 2023-01-24
| 更新済み: 2024-02-12

