Texas Instruments ADC342xクワッドチャンネル12ビットADC
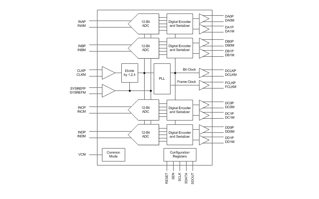
Texas Instruments ADC342xクワッドチャンネル12ビットアナログデジタルコンバータは、高い直線性、超低消費電力、デュアルチャンネル、12ビット、25-MSPS~125-MSPSのアナログデジタルコンバータ(ADC)です。このデバイスは、高い入力周波数信号と広いダイナミックレンジが要求される厳しい要件に対応できるように特別に設計されています。入力クロック分周器がシステムクロックのアーキテクチャ設計により高い柔軟性を与え、SYSREF入力が完全なシステム同期を可能にします。ADC342xは、小振幅差動信号方式(LVDS)をサポートしてインターフェイスのライン数を低減してあるため、システムの統合密度を高めることが可能です。シリアルLVDSインターフェイスは2線式で、各々のADCデータのシリアル化と出力が2組のLVDS上で行われます。内部位相ロックループ(PLL)は流入してくるADCサンプリングクロックを増幅させてビットクロックを引き出し、そのビットクロックが各チャネルから出力される12ビットのデータをシリアル化するために使用されます。特徴
- クワッドチャネル
- 12ビットの分解能
- SNR = 70.2dBFS、SFDR = 87dBc@fIN = 70MHz
- 14ビットバージョンでピン・ツー・ピン互換
- 超低消費電力
- 98mW/Ch@125MSPS
- パッケージ: VQFN-56 (8mm×8mm)
アプリケーション
- マルチキャリア、マルチモードのセルラー基地局
- レーダーとスマートアンテナ配列
- 軍用誘導システム
- モーター制御フィードバック
- ネットワークとベクトルアナライザ
- 通信試験装置
- 非破壊試験
- マイクロ波受信機
- ソフトウェア無線(SDR)
- 直交無線受信機およびダイバーシティ無線受信器
Datasheets
ブロック図
公開: 2016-01-22
| 更新済み: 2025-06-24
