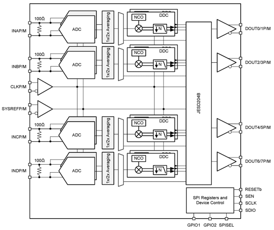
各ADCチャンネルは48 ビットNCOを使用してデュアルバンド・デジタル・ダウンコンバータ(DDC)に接続することができます。この機能は、GPIOピンをNCO周波数制御に使用して1µs未満で実現できる、位相コヒーレント周波数ホッピングをサポートします。Texas Instruments ADC34RF52は、13Gbpsまでのデータレートを使用して、サブクラス1の決定論的レイテンシを備えたJESD204Bシリアル・データ・インターフェイスをサポートします。ADCチャネルあたりSERDESレーンは2つだけです。電力効率の高いADC アーキテクチャは、1.5GSPSで0.73W/chを消費し、低いサンプリング・レートで電力スケーリングを実現します。
特徴
- 14ビット、クワッドチャネル1.5GSPSのADC
- ノイズ スペクトル密度
- 平均化なしで-153dBFS/Hz
- 2x 平均化で-156dBFS/Hz
- シングルコア(非干渉)ADCアーキテクチャ
- アパーチャ・ジッタ:50fs
- 10kHzオフセットで-133dBc/Hzの低い近接残留位相ノイズ
- スペクトル性能(fIN =900MHz、-4dBFS):
- 2x内部平均化
- SNR:65.2dBFS
- SFDR HD2、3: 74dBc
- SFDRワーストスパー:90dBFS
- 1.0/1.1Vpp(1/1.8dBm) 入力フルスケール
- 1.6GHzフルパワー入力帯域幅 (-3dB)
- JESD204Bシリアルデータインターフェイス
- 最大レーンレート:13Gbps
- サブクラス1確定レイテンシをサポート
- デジタルダウンコンバーター
- ADCチャンネルあたり最大2つのDDC
- 複合出力:4倍~128倍のデシメーション
- 48ビットNCO位相コヒーレント周波数ホッピング
- 速い周波数ホッピング:<1µs
- 0.73W/チャンネル(1x AVG)の消費電力
- 電源:1.8V、1.2V
アプリケーション
- フェーズド・アレイ・レーダー
- スペクトル・アナライザー
- ソフトウェア定義無線(SDR)
- 電子戦
- 高速デジタライザ
- ケーブルインフラストラクチャ
- 通信インフラ
機能ブロック図
公開: 2024-06-18
| 更新済み: 2024-06-26

