Texas Instruments ADC356x低ノイズ、低消費電力ADC
Texas Instruments ADC356x低ノイズ、超低消費電力A/Dコンバータ(ADC)は、低ノイズ、超低消費電力16ビット10MSPS~65MSPS高速ADCです。これらは、低電力消費を実現するように設計された優れた直線性とダイナミック範囲との組み合わせによって、–158dBFS/Hzのノイズスペクトル密度を達成します。ADC356xは、優れたDC精度とIFサンプリングサポート備えており、広範な用途に適しています。高速制御ループのメリットは、1つのみのクロックサイクルの短いレイテンシから得られます。ADCの電力消費は、低サンプリングレートで良好にスケールされるため、消費量は65MSPSでわずか122mWです。Texas Instruments ADC356xには、データを出力するためのシリアルLVDS(SLVDS)インターフェイスが採用されており、デジタル相互接続数を最小限に抑えます。このデバイスは、2レーン、2レーン、ハーフレーンのオプションをサポートしています。ADC356xおよびADC358xは、ピン-to-ピン互換ファミリで、16ビットおよび18ビットの分解能とさまざまな速度グレードがあります。デバイスは、40ピンQFNパッケージ(5mm x 5mm)に封止されており、-40~+105⁰Cの拡張工業温度範囲をサポートしています。
特徴
- 16ビット10MSPS~65MSPS ADC
- ノイズフロア –158dBFS/Hz
- 低電力消費 77mW(10MSPS)~ 122mW(65MSPS)
- 1クロックサイクル(1-Wire SLVDS)レイテンシ
- 指定された16ビット、ノーミッシングコード
- INL: ± 3LSB、DNL: ± 0.7LSB
- リファレンス(外部または内部)
- 900MHz (3dB) 入力帯域幅
- 工業温度範囲:–40°C~+105°C
- オンチップ・デュアルバンド・デジタルフィルタ(オプション)
- 2、4、8、16、32のデシメーション
- 32ビットNCO
- シリアルLVDSデジタル・インターフェイス(2、1、1/2-wire)
- 40-WQFN(5mm × 5mm)小型フットプリント・パッケージ
- スペクトル性能(fIN = 10MHz)
- SNR:81.9dBFS
- SFDR: 95dBc HD2、HD3
- SFDR: 100dBFSワーストスパー
アプリケーション
- 高速データアクイジション
- 工業用モニタリング
- ソフトウェア定義無線
- 電力品質解析器
- ソース計測装置(SMU)
- 通信インフラ
- スペクトル・アナライザー
- 制御ループ
- 計測機器
- 画像化
- 分光法
- レーダー
- ソナー
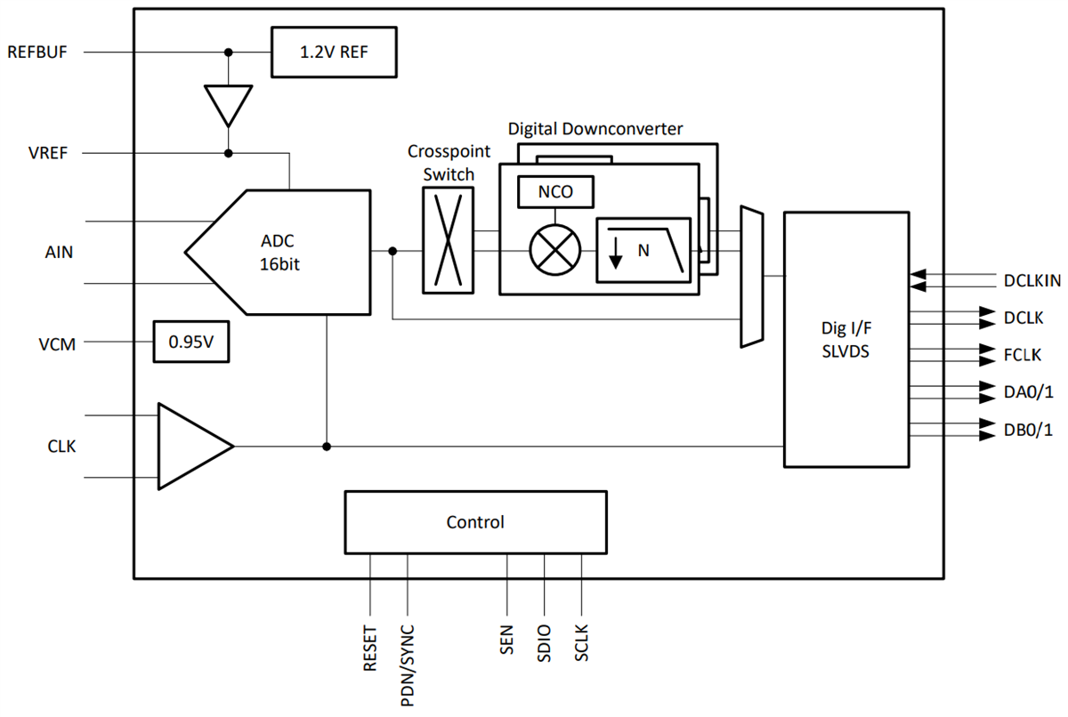
機能ブロック図
公開: 2022-12-09
| 更新済み: 2023-01-05
