Texas Instruments ADC358x低ノイズ、低消費電力ADC
Texas Instruments ADC358x低ノイズ低電力アナログ・デジタル・コンバータ(ADC)は、低ノイズ、超低電力18ビット65MSPS高速ADCファミリです。低ノイズ性能を目的に設計されており、優れた直線性とダイナミックレンジが組み合わされた-160dBFS/Hzのノイズスペクトル密度が備わっています。ADC358xは、優れたDC精度と IFサンプリングサポートを提供するため、幅広いアプリケーションに適しています。高速制御ループのメリットは、最低で1つのみのクロックサイクルの短いレイテンシから得られます。このADCは、65Mspsでわずか119mWしか消費せず、消費電力はより低いサンプリングレートで良好にスケーリングされます。Texas Instruments adc358xには、データを出力するためのシリアルLVDS(SLVDS)インターフェイスが採用されており、デジタル相互接続数を最小限に抑えます。このデバイスは、1レーンおよび2レーンのオプションをサポートしています。ADC358xは、さまざまな速度グレードのピン互換ファミリです。40ピンQFNパッケージ(5mm x 5mm)に収められており、-40~+105⁰Cの拡張工業温度範囲に対応しています。
特徴
- 18ビット10/25/65MSPS ADC
- -160dBFS/Hzノイズフロア
- 77mW (10MSPS) ~119mW (65MSPS) の超低消費電力、最適化された電力スケーリング
- 1クロックサイクル(1-Wire SLVDS)レイテンシ
- 指定された18ビット、ノーミッシングコード
- INL/DNL: ±7/ ±0.7LSB(標準)
- リファレンス(外部または内部)
- 900MHz (3dB) 入力帯域幅
- 工業温度範囲: -40~+105°C
- オンチップ・デジタルフィルタ(オプション)
- 2、4、8、16、32のデシメーション
- 32ビットNCO
- シリアルLVDSデジタル・インターフェイス(2、1、1/2-wire)
- 40-WQFN(5mm × 5mm)小型フットプリント・パッケージ
- スペクトル性能(fIN = 1MHz)
- SNR: 84.5dBFS
- SFDR: 95dBc HD2、HD3
- SFDR: 100dBFSワーストスパー
- スペクトル性能(fIN = 20MHz)
- SNR: 83.5dBFS
- SFDR: 90dBc HD2, HD3
- SFDR: 95dBFSワーストスパー
アプリケーション
- 高速データアクイジション
- 工業用モニタリング
- ソフトウェア定義無線
- 電力品質解析器
- ソース計測装置(SMU)
- 通信インフラ
- スペクトル・アナライザー
- 制御ループ
- 計測機器
- 画像化
- 分光法
- レーダー
- ソナー
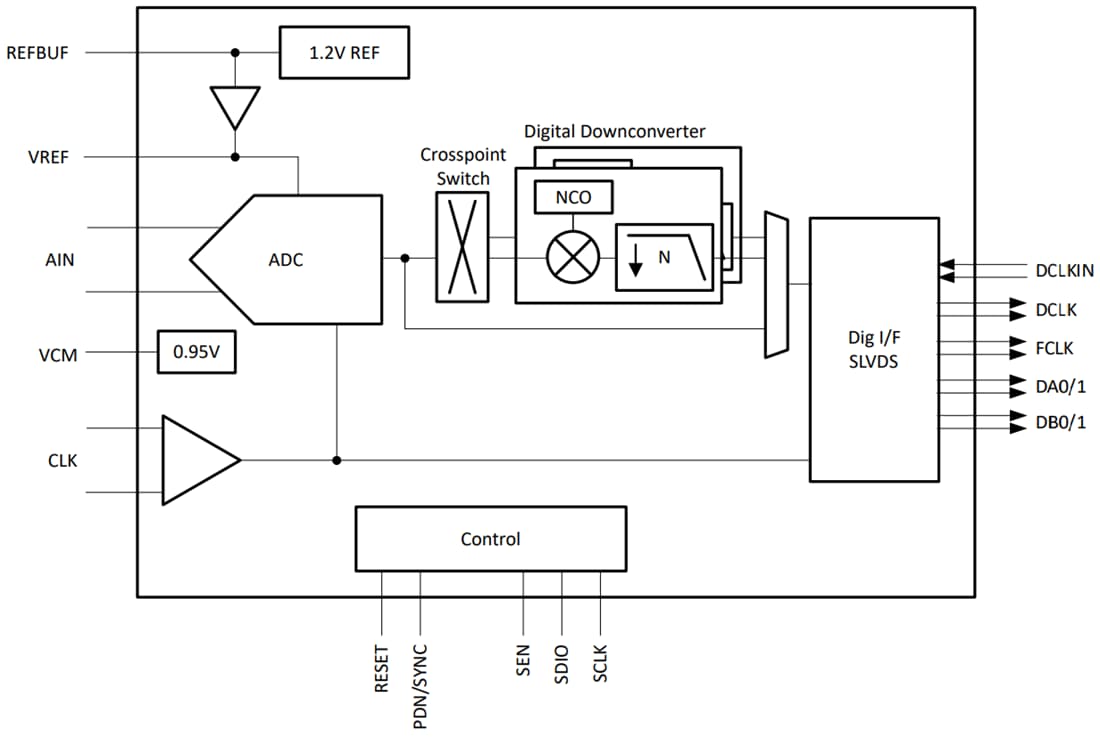
機能ブロック図
公開: 2022-12-12
| 更新済み: 2023-01-05
