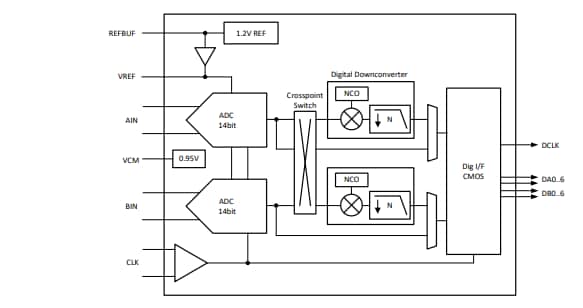
TIADC364xは優れたDC精度とIFサンプリングをサポートしており、様々なアプリケーションに最適です。DDR、またはシリアルCMOSインターフェイスを使用してデータを出力し、最も低電力のデジタル・インターフェイスと、デジタル相互接続の数を最小限に抑える柔軟性を提供します。これらのデバイスは、異なるスピード・グレードのピン互換性ファミリです。
ADC364x ADCは、-40~+105°Cの拡張産業用温度範囲をサポートし、40ピンVQFNパッケージで提供されます。
特徴
- デュアルチャンネル
- 14ビット10/25/65MSPS ADC
- -155dBFS/Hzのノイズフロア
- 29mW/ch (10MSPS) から72mW/ch (65MSPS) に最適化された電力スケーリングによる超低電力
- レイテンシは1クロック・サイクル
- 14ビット、コード欠落なし
- ±0.6LSBのINL; DNL: ±0.2LSB
- 外部または内部リファレンス
- –40°C~+105°Cの工業温度範囲
- オンチップ・デジタルフィルタ(オプション)
- 2、4、8、16、32のデシメーション
- 32ビットNCO
- DDR、およびシリアルCMOSインターフェイス
- 40-VQFN (5mm×5mm) パッケージの小型フットプリント
- 1.8V単電源
- スペクトル性能 (fIN =5MHz)
- SNR:79.0dBFS
- SFDR: 93dBc HD2、HD3
- SFDR: 101dBFSワーストスパー
- スペクトル性能 (fIN =64MHz)
- SNR 74.0dBFS
- SFDRの84dBc HD2、HD3
- SFDRの90dBFSワーストスパー
アプリケーション
- 高速データアクイジション
- 工業用モニタリング
- 赤外線画像
- 画像処理とソナー
- ソフトウェア定義無線
- 電力品質
- 通信インフラ
- ハイスピード制御ループ
- 計測機器
- スマートグリッド
- 分光法
- レーダー
- ソース計測装置(SMU)
- GPSレシーバ
- ソナー
- サブステーションオートメーション
ブロック図
公開: 2020-12-15
| 更新済み: 2024-10-18

