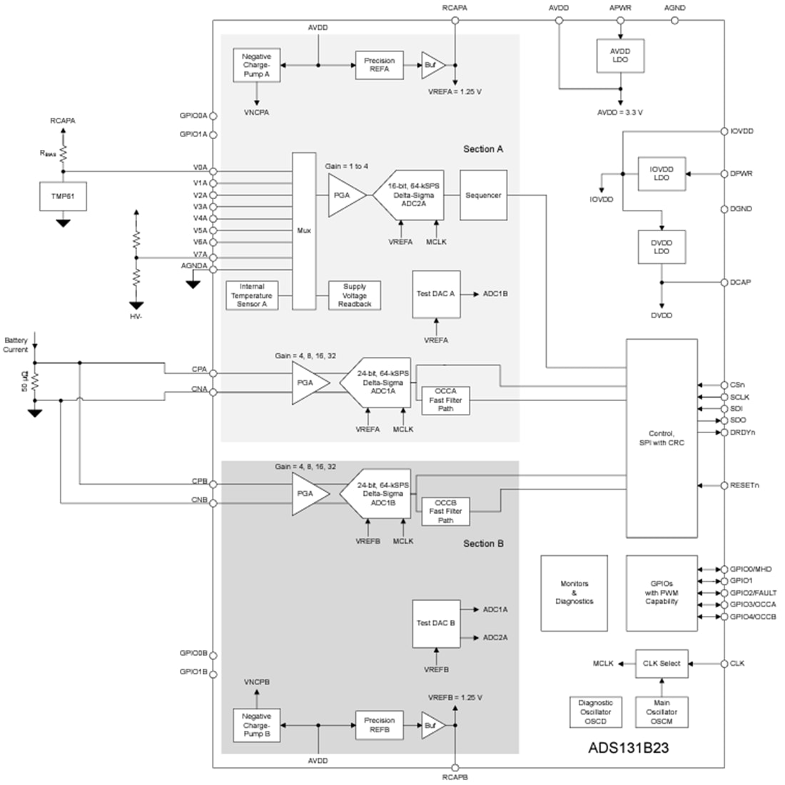
もう1つ別の多重化16ビットのADC(ADC2A)は、外付け高電圧抵抗分圧器を使用し、バッテリパック電圧といったシステムのシャント温度および他の電圧の測定に使用できます。シャント温度は、サーミスタやアナログ出力温度センサなどの外付け温度センサを使用して測定できます。ADC2Aは、SPIでの通信を減らすように設定されたマルチプレクサ入力に基づいて自動的にステップ(制御)を行うチャネル・シーケンサを備えています。
デバイスは、機能的で安全なBMSの開発を用意にするために、ランダム・ハードウェア障害を軽減・検出するための数多くの監視機能と診断機能を内蔵しています。入力範囲が最大16Vまでの内部リニアレギュレーターは、非制御DC/DCコンバータを使用してデバイスに電力を供給するのに対応しています。Texas Instruments ADS131B23/ADS131B23-Q1は、48ピンのHTQFPパッケージで供給され、–40°C~+105°Cの産業温度範囲での動作に指定されています。ADS131B23-Q1は、自動車アプリケーションを対象としたAEC-Q100認定を受けています。
特徴
- 同時にサンプリングされる2つの24ビットADC(ADC1A、ADC1B)は、電流シャントの測定に使用
- プログラム可能なフルスケール範囲
- ±39mV~±312.5mV
- 幅広いなシャント抵抗器の値と電流測定範囲に対応
- 高精度の電流シャント測定を実現
- ±1.5µV(最大)オフセット誤差
- 25ppm/°C(最高)ゲインドリフト
- 500SPS~64kSPSのプログラマブルデータレート
- 過電流を素早く検出するためのプログラム可能なしきい値を備えたADCごとのデジタル過電流コンパレータ
- プログラム可能なフルスケール範囲
- 電圧と温度の測定用に多重化された16ビットのADC(ADC2A)1個
- 8個のアナログ入力
- プログラム可能フルスケール範囲 ±312.5mV~±1.25V
- チャネルシーケンサ
- ランダム・ハードウェア障害を軽減・検出するための監視機能と診断機能
- 電源電圧範囲 2.9V~16V
- SPI対応インターフェイス
- 9個のGPIO(PWM機能搭載)
アプリケーション
- バッテリエネルギー貯蔵システム(ESS)
- 電流シャント計測
- 外部抵抗器分圧器を使用した電圧計測
- サーミスタまたはアナログ出力温度センサーを使用した温度測定
機能ブロック図
公開: 2023-02-03
| 更新済み: 2023-12-20

