Texas Instruments AFE4950集積アナログフロントエンド (AFE)
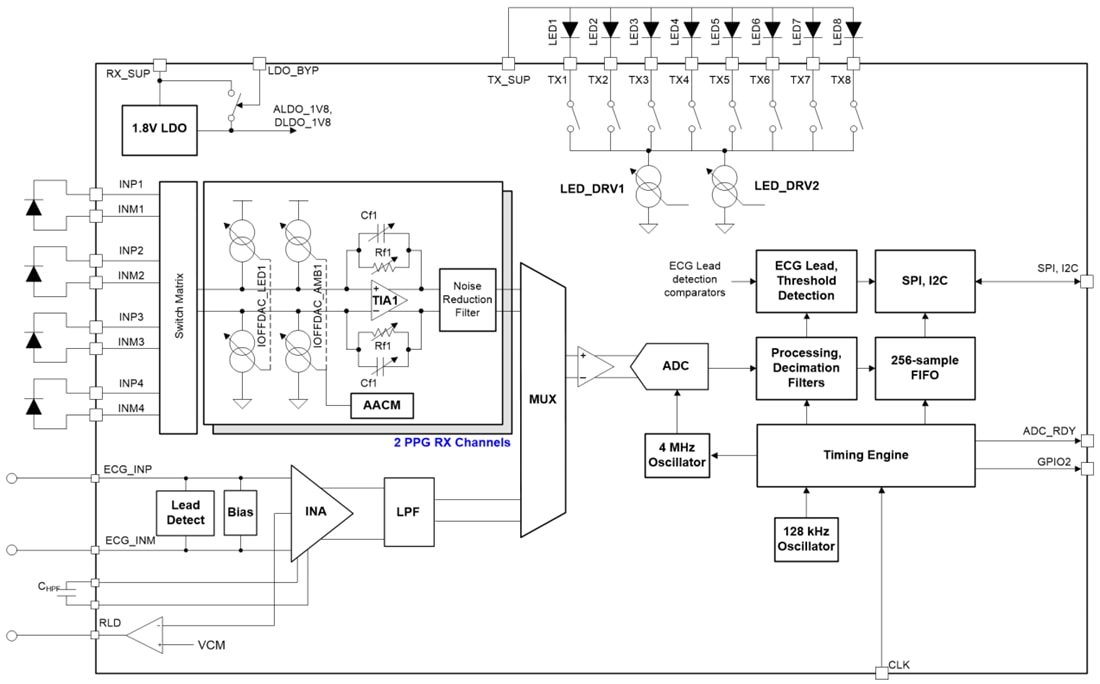
Texas Instruments AFE4950統合アナログフロントエンド(AFE)は、PPGおよびECG信号の同期信号取得を目的としています。Texas Instruments AFE4950は、心拍数モニタリング(HRM)および末梢毛細血管酸素(SpO2)の飽和といった光学バイオセンシング・アプリケーションにも使用できます。ECGシグナルチェーンは、2電極および3電極構成に対応しており、統合右脚ドライブ(RLD)バッファがあります。ECGシグナルチェーンは、電極間のインピーダンスの連続的な低消費電力モニタリングにも使用できます。特徴
- 最大24 PPGおよびシングルリードECG信号の同時および同期取得をサポート
- LED 8個、各位相で4台のPDの柔軟な割り当て
- ECGシグナルチェーン
- 最大2kHzの1リードECG信号収集
- 第3電極を駆動するRLD出力
- 0.7µVrms入力ノイズ
- 最大+/-0.65V差動DCオフセットおよび+/-0.55Vコモンモード範囲をサポート
- プログラマブルINAゲイン(11、21)
- ハイパスフィルタ(高速飽和リカバリ搭載)
- 集積300Hzアンチエイリアス・ローパスフィルタ
- 2.6nA~85nA AC、DCリードOFF検出
- 低消費電力連続リードオン検出
- インピーダンス・シグナルチェーン
- 2電極間のインピーダンスの連続低消費電力モニタリング
- 7MΩ範囲
- 620KΩでの300Ωノイズ
- PPGトランスミッタ
- 8ビット対応プログラマブルLED電流(25mA ~ 250mAの範囲で調整可能)
- LED 2個を並列に点灯させるモード
- SpO2 、多波長HRM用のコモンアノード構成で8個のLEDをサポート
- PPGレシーバ
- 2台のパラレル受信機(TIA/フィルタの2セット)
- 各レシーバに4つの時間多重フォトダイオード入力をサポート
- 256µA範囲の各TIA入力での8ビット周囲オフセット減算
- 範囲64μAの8ビットLEDオフセット減算DAC
- TIA入力での自動周囲キャンセレーションと動的LED DCキャンセレーション
- 10Hzまでの100dBに近い周囲除去
- プログラマブル帯域幅があるノイズフィルタリング
- 3.7kΩ~1MΩトランスインピーダンス・ゲイン
- 正確で継続的な心拍数数モニタリング
- 16μA PD電流で最高109dBまでのシステムSNR
- ウェアラブルデバイスでの連続動作のための小電流の標準: LEDの場合15µA、受信機の場合20µA
- 外部クロックおよび内部発振器モード
- システム・マスタ・クロックと同期したデータを取得
- 256サンプル深度があるFIFO
- SPI、I2Cインターフェイス(ピンで選択可能)
- 2.6mm × 2.5mm DSBGA、0.4mmピッチ
- 供給 (Rx:1.7-1.9V (LDOバイパス); 1.9-3.6V (LDOイネーブル)、Tx:3-5.5V、IO:1.7-RX_SUP)
アプリケーション
- ウェアラブル、ヒアラブル製品のための光学心拍監視(HRM)
- 高性能ECG信号収集
- 同期PPG、血圧推定用ECG
- 心拍変動(HRV)
- パルスオキシメトリ(SpO2)測定
簡略図
公開: 2020-12-02
| 更新済み: 2024-10-08
