Texas Instruments AFE7903 2T2R RFサンプリング・トランシーバ
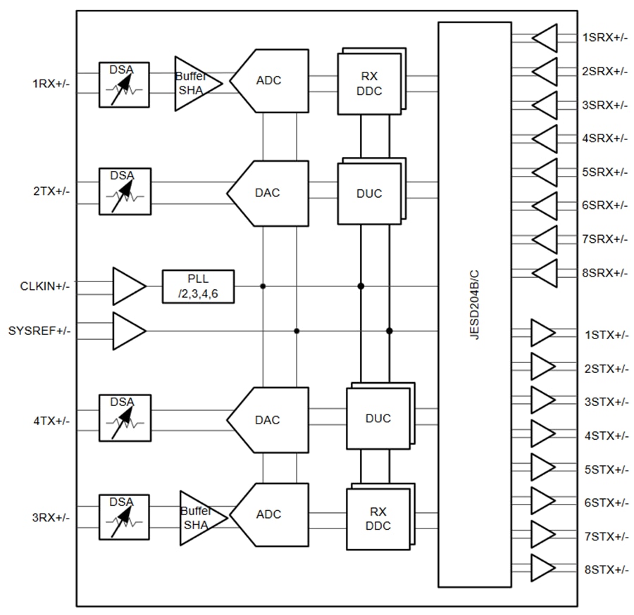
Texas Instruments AFE7903 2T2R RFサンプリング・トランシーバは、2つのRFサンプリング・レシーバ・チェーンと2つのRFサンプリング・トランスミッタ・チェーンを統合した高性能、広帯域幅、多チャンネルのトランシーバです。最大7.4GHzで動作するこのデバイスは、HF、VHF、UHF、L、S、Cバンドの周波数範囲でRFを直接サンプリングできます。この機能は、追加の周波数変換ステージを必要とせずに実行されます。この柔軟性と密度の向上により、多チャネル数のマルチミッション・システムが可能になります。TX信号パスは、最大400MHzの信号帯域幅を提供するデジタルアップおよび補間変換オプションをサポートします。DUCの出力は、2番目のNyquist動作を強化するための混合モード出力オプションを備えた、12GSPS DAC(デジタル・アナログ・コンバータ)をドライブします。Texas Instruments AFE7901のDAC出力には、40dB範囲と1dBアナログおよび0.125dBデジタルのステップを備えた可変ゲインアンプ(TX DSA)が含まれています。
各レシーバ・チェーンには、25dB範囲のDSA(デジタル・ステップ・アテニュエータ)、それに続く3GSPS ADC(アナログ・デジタル・コンバータ)が含まれています。各レシーバ・チャンネルには、外部/内部の自律自動ゲイン・コントローラを支援するアナログ・ピーク電力検出器と各種デジタル電力検出器、およびデバイス信頼性保護のためのRF過負荷検出器があります。柔軟なデシメーション・オプションにより、2つのRXで最大400MHzのデータ帯域幅を最適化できます。
このデバイスには、デバイス・クロックに対するSYSREF入力タイミングの最適化を可能にするSYSREFタイミング検出器が含まれています。
特徴
- デュアルRFサンプリング12GSPS送信DAC
- デュアルRFサンプリング3GSPS受信ADC
- TXまたはRXあたり最大信号帯域幅:400MHz
- RF周波数範囲:5MHz~7.4GHz
- デジタル・ステップ・アテニュエータ(DSA)
- TX:40dB範囲、0.125dBステップ
- RX:25dB範囲、0.5dBステップ
- TXおよびRX用のシングルまたはデュアルバンドのDUC/DDC
- TX/RXあたり16x NCO
- DAC/ADCクロック用(オプション)内部PLLやVCO、またはDACまたはADCサンプルレートでの外部クロック
- SysRef アライメント検出器
- SerDesデータインターフェイス:
- JESD204BおよびJESD204C準拠
- 最大29.5GbpsまでのSerDesトランシーバ8台
- サブクラス1マルチデバイス同期
- 17mm x 17mm FCBGA、0.8mmピッチパッケージ
アプリケーション
- レーダー
- シーカー・フロント・エンド
- 防衛無線
- 戦術通信インフラ
- ワイヤレス通信試験
機能ブロック図
公開: 2024-06-20
| 更新済み: 2024-06-26
