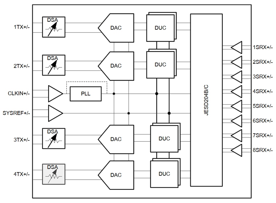
信号パスは、4つのDAC(TX)では最大1,200MHz、2つのDACでは2,400MHzの信号帯域幅を提供する、補間とデジタル・アップコンバージョンのオプションをサポートします。DUCの出力は、2番目のNyquist動作を強化するための混合モード出力オプションを備えた12GSPS DAC(デジタル/アナログコンバータ)をドライブします。Texas Instruments AFE7954のDAC出力には、40dB範囲と1dBアナログと0.125dBデジタルステップを備えた可変ゲインアンプ(TX DSA)が含まれています。
特徴
- クワッドRFサンプリング12GSPS送信DAC
- 最大RF信号帯域幅
- 4TX:1,200MHz
- 2TX:2,400MHz
- RF周波数範囲:600MHz~12GHz
- デジタル・ステップ・アテニュエータ(DSA)
- TX:40dB範囲、0.125dBステップ
- シングルまたはデュアルバンドDUC
- TXあたり16x NCO
- DAC用オプションの内部PLL/VCOまたはDACサンプルレートでの外部クロック
- SerDesデータインターフェイス:
- JESD204BおよびJESD204C準拠
- 最大29.5GbpsまでのSerDesトランシーバ8台
- サブクラス1マルチデバイス同期
- 17mm x 17mm FCBGA、0.8mmピッチパッケージ
アプリケーション
- レーダー
- シーカー・フロント・エンド
- 防衛無線
- 戦術通信インフラ
- ワイヤレス通信試験
機能ブロック図
公開: 2024-06-21
| 更新済み: 2024-06-25

