Texas Instruments AFE7955 2T3R RFサンプリング・アナログ・フロントエンド
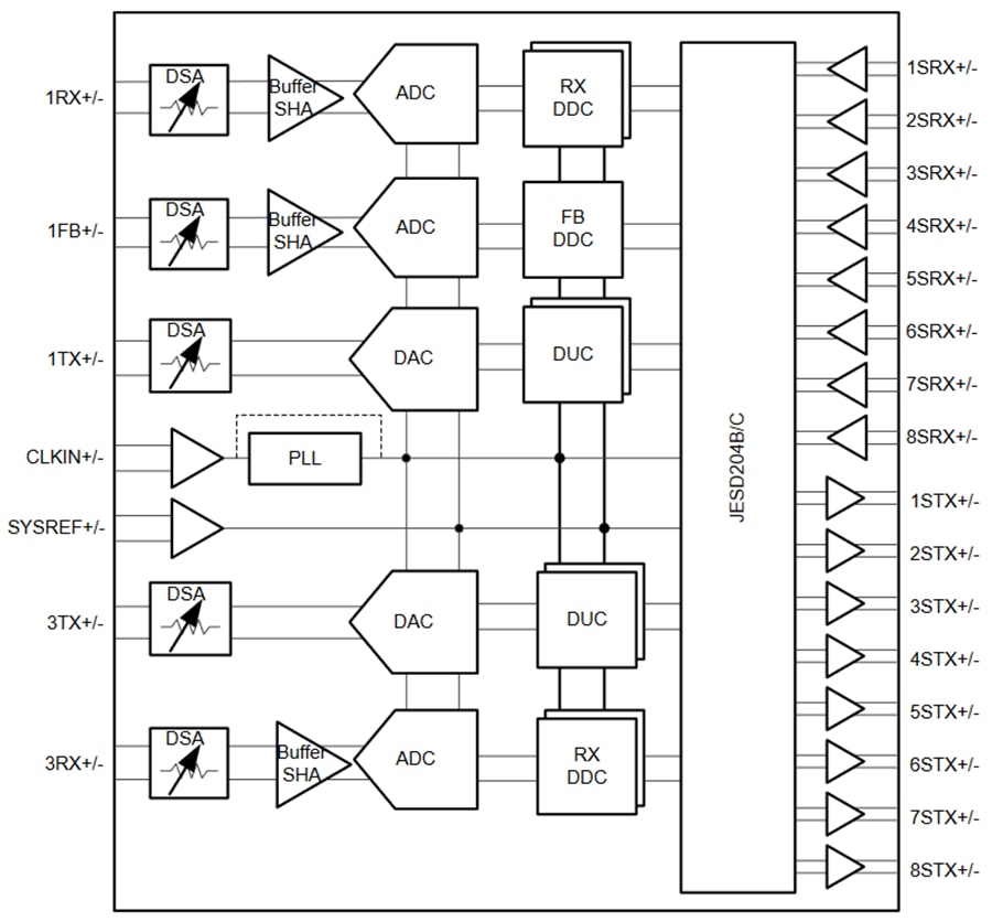
Texas Instruments AFE7955 2T3R RFサンプリング・アナログ・フロント・エンド(AFE)は、2つのRFサンプリング・トランスミッタ・チェーンと3つのRFサンプリング・レシーバ・チェーンを統合した、高性能、広帯域幅、多チャネルのトランシーバです。最大12GHzで動作するこのデバイスは、L、S、C、Xバンドの周波数範囲で直接RFサンプリングを可能にします。この機能は、追加の周波数変換ステージを必要とせずに実行されます。この柔軟性と密度の向上により、高チャネル数のマルチ・ミッション・システムが可能になります。TX信号パスは、TXチャネルあたり最大1,200MHzの信号帯域幅を提供する補間およびデジタルのアップコンバージョン・オプションをサポートします。DUCの出力は、2番目のNyquist動作を強化する混合モード出力オプションを備えた12GSPS DAC(デジタル/アナログコンバータ)をドライブします。DAC出力には、40dB範囲、1dBアナログおよび0.125dBデジタルのステップを備えた可変ゲインアンプ(TX DSA)が含まれています。
Texas Instruments AFE7955の2つのレシーバ・チェーンには、25dB範囲のDSA(デジタル・ステップ・アテニュエータ)、それに続く3GSPS ADC(アナログ/デジタル・コンバータ)が含まれます。2つのレシーバ・チャンネルには、アナログ・ピーク電力検出器、外部/内部の自律自動ゲイン・コントローラを支援する各種デジタル電力検出器、およびデバイス信頼性保護のためのRF過負荷検出器があります。柔軟なデシメーション・オプションにより、RXチャンネルあたり最大1,200MHzの信号帯域幅が最適化されます。追加のレシーバ・チャンネルには、最大1,200MHzの帯域幅をサポートする単一の広帯域 DDCがあります。
特徴
- デュアルRFサンプリング12GSPS送信DAC
- トリプルRFサンプリング3GSPS受信ADC
- RF信号帯域幅:最大1,200MHz
- RF周波数範囲:600MHz~12GHz
- デジタル・ステップ・アテニュエータ(DSA)
- TX:40dB範囲、0.125dBステップ
- RX:25dB範囲、0.5dBステップ
- シングルバンド/デュアルバンドのDUCやDDC
- TXあたり16x NCO
- DACまたはADCサンプルレートでのDACまたはADCクロックまたは外部クロックを対象としたオプションの内部PLLまたはVCO
- SerDesデータインターフェイス:
- JESD204BおよびJESD204C準拠
- 最大29.5GbpsまでのSerDesトランシーバ8台
- サブクラス1マルチデバイス同期
- 17mm x 17mm FCBGA、0.8mmピッチパッケージ
アプリケーション
- レーダー
- シーカー・フロント・エンド
- 防衛無線
- 戦術通信インフラ
- ワイヤレス通信試験
機能ブロック図
公開: 2024-06-21
| 更新済み: 2024-06-25
