Texas Instruments AMC0380D & AMC0380D-Q1 絶縁アンプ
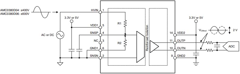
テキサス・インスツルメンツ (Texas Instruments) AMC0380DおよびAMC0380D-Q1 絶縁アンプは、高電圧ACに対応し、高インピーダンス入力および固定ゲイン差動出力を備えた、高精度な電気的に絶縁されたアンプです。これらのアンプは、±400および±600Vの2つのリニア入力電圧範囲でご用意があり、全温度範囲で1%未満の精度を達成しています。AMC0380DおよびAMC0380D-Q1絶縁型アンプは、15ピン、0.65mmピッチのSSOPパッケージでご用意があります。 AMC0380D-Q1デバイスは、自動車アプリケーションを対象としたAEC-Q100認定を受けています。これらのアンプは、15ピン、0.65mmピッチのSSOP パッケージで提供されており、-40°C~125°Cの温度範囲で完全に仕様規定されています。代表的なアプリケーションには、サーバ用電源ユニット(PSU)、エネルギー貯蔵システム(ESS)、ソーラーインバータ、EV充電ステーション、トラクションインバータなどがあります。特徴
- 外付け抵抗器なしで、AC電圧を直接検出できる内蔵高電圧抵抗分圧器
- 差動出力
- 電源電圧範囲:
- ハイサイド(VDD1):3V〜5.5V
- ローサイド(VDD2):3V~5.5V
- 低DC誤差:
- オフセットエラー:±0.8mV(最大値)
- オフセットドリフト:±10µV/°C(最大値)
- 減衰誤差:±0.25%(最大値)
- 減衰ドリフト:±40ppm/°C(最大値)
- 0.025%(最大)非直線性
- 高CMTI:150V/ns (最小値)
- 低EMI:CISPR-11およびCISPR-25 規制に準拠
- 利用可能な入力オプション:
- AMC0380D04:±400V、8.3MΩ
- AMC0380D06:±600V、10MΩ
- 安全関連認定:
- DIN EN IEC 60747-17(VDE 0884-17)に準拠した強化絶縁耐圧:7000VPK
- UL 1577に準拠した絶縁耐圧:5000VRMS(1分間)
- --40°C~125°Cの広範囲の工業用温度範囲に完全対応
- 自動車アプリケーション用に AEC-Q100認定済み(AMC0380D-Q1)
アプリケーション
- サーバー電源装置(PSU)
- エネルギーストレージシステム(ESS)
- ソーラーインバータ
- EV充電ステーション
- トラクション・インバータ
- オンボードチャージャー
- DC/DCコンバータ
- バッテリジャンクションボックス
機能ブロック図
標準的なアプリケーション図
データシート
公開: 2026-01-08
| 更新済み: 2026-03-04
