TI BQ25175スタンドアロン1セル800mAリニアバッテリ充電器は、完全に放電されたバッテリを回復するためのプリチャージ、充電の大部分を供給するための高速充電定電流、フル容量に達するための電圧安定化をはじめとする、リチウムイオン/リチウムポリマ電池の充電を目的とした3相をサポートしています。内部制御ループはIC接合部温度を監視し、内部温度しきい値TREGを超えた場合、すべての充電フェーズで充電電流を減らします。
完全に統合された充電器電力段と充電電流センス機能は、BQ25175に実現しています。充電機能には、高精度の電流および電圧安定化ループ、充電状態表示、自動充電終了があります。高速充電電流は、外部レジスタを介してプログラミングできます。プリチャージと終了電流閾値は、高速充電電流設定も追跡します。
特徴
- 最高30V許容までの入力電圧
- 低電力消費のための自動スリープモード
- バッテリ漏れ電流:350nA
- 充電無効時の80µA入力漏れ電流
- 1セル・リチウムイオン、リチウムポリマをサポート
- 固定4.35Vバッテリ安定化電圧
- 外付け抵抗器によってプログラミングできる動作
- 10mA~800mAの充電電流を設定するISET
- 統合障害保護
- 6.6V IN過電圧保護
- 1000mA過電流保護
- 125°C熱安定化機能、150°C熱シャットダウン保護機能
- OUT短絡保護
- ISETピンのショート/オープン保護
- 充電機能
- ISETの20%事前充電電流
- ISETの終了電流10%
- バッテリ温度を監視するNTCサーミスタ入力
- コールドおよびホット温度充電が無効
- ISETの20%での低温充電
- 充電機能制御用のTSピン
- オープン-ドレイン出力(状態表示と障害表示用)
- 高精度
- ±0.5%充電電圧精度
- ±10%充電電流精度
アプリケーション
- スマートトラッカ
- 真のワイヤレスヘッドセット
- スマート・リモート制御
- パルス酸素濃度計
- 血糖値モニタ
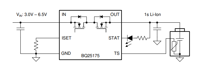
簡略図
公開: 2022-03-14
| 更新済み: 2022-07-19

