bq25504はこの種のデバイスとして初めて、電力と操作に関する厳しい要求があるワイヤレスセンサネットワーク(WSN)などの製品やシステムを対象とする高効率昇圧コンバータ/チャージャを実装しています。Texas Instruments bq25504の設計は、動作を開始するためにマイクロワットの電力だけが必要なDC-DC昇圧コンバータ/充電器を最初に行います。
特徴
- 高効率DC/DC昇圧コンバータ/充電器での超低消費電力
- 低入力源からの連続環境発電
- VIN ≥ 80mV(標準)
- 超低自己消費電流: IQ < 330nA(標準)
- コールドスタート電圧: VIN ≥ 330mV(標準)
- 低入力源からの連続環境発電
- プログラマブルダイナミック最大電力点追跡(MPPT)
- さまざまなエネルギー生成源から最適なエネルギーを抽出するための、統合型ダイナミック最大電力点追跡
- 入力電圧調整により、入力源の崩壊を予防
- エネルギー貯蔵
- エネルギーは充電式リチウムイオン電池、薄膜電池、スーパーコンデンサ、従来型コンデンサに保存可能
- 電池の充電と保護
- ユーザーがプログラムできる不足電圧/過電圧レベル
- オンチップ温度センサ(プログラマブル過熱遮断機能搭載)
アプリケーション
- 環境発電
- ソーラーチャージャー
- 熱電発電機(TEG)による環境発電
- ワイヤレスセンサネットワーク(WSN)
- 工業用モニタリング
- 環境モニタリング
- ブリッジ/構造健全性モニタリング(SHM)
- スマートビル管理
- 携帯機器およびウェアラブル健康器具
- 娯楽システムのリモートコントロール
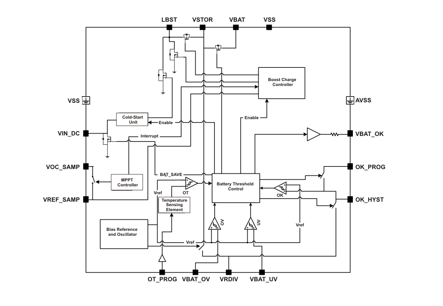
ブロック図
公開: 2012-03-26
| 更新済み: 2020-12-14

