Texas Instruments bq25720 SMBusバックブースト・バッテリ充電コントローラ
Texas Instruments bq25720 SMBusバックブースト・バッテリ充電コントローラは、同期NVDCバックブースト・バッテリ充電コントローラで、1~4セルのバッテリを広範な入力源から充電できます。これらのソースには、USBアダプタ、高電圧USB-C電源供給(PD)ソース、標準アダプタがあります。NVDC構成によって、システムはバッテリ電圧に基づいて安定化を図りますが、システムの最小電圧は下回りません。このシステムにより、バッテリが完全に放電されたり取り外された場合でも動作します。負荷電力が入力ソース定格を超えると、バッテリが補足モードになり、システムのクラッシュを防止します。この充電器は、電源投入時の入力ソースとバッテリ条件に基づいて、コンバータをバック、ブースト、またはバックブースト構成に設定します。充電器は、ホスト制御なしでバック、ブースト、バックブースト動作モードの間をシームレスに移行します。入力源が存在しない場合、bq25720は、1~4セルのバッテリからのUSB On-the-Go(OTG)機能をサポートしており、VBUSでの調整可能な3V~24V出力を生成し、8mV分解能が備わっています。OTG出力電圧遷移スルーレートは、USB-PD 3.0 PPS仕様に準拠するように構成できます。
バッテリのみがシステムに電力を供給し、外部負荷がUSB OTGポートに接続されていない場合、bq25720は最新のIntel Vminアクティブ保護(VAP)機能を実行し、デバイスはバッテリからVBUS電圧を充電して入力デカップリングコンデンサにエネルギーを保存します。システムピーク電力スパイク中に、入力コンデンサに保存されたエネルギーは、システムを補完して、システム電圧が最小システム電圧を下回ったりシステムのクラッシュを発生させるのを防止します。
Texas Instruments bq25720は、アダプタ電流、バッテリ電流、システム電力を監視します。柔軟にプログラミングされたPROCHOT出力は、必要に応じてスロットルを逆にするために、CPUに直接送られます。USB-C PD仕様の最新型式には、電源の役割の交換がタイムリーに行われるようにする高速ロールスワップ(FRS)が搭載されており、ドックに接続されたデバイスで瞬間的な電力損失やグリッチが発生することを回避できます。このデバイスには、PD仕様に準拠したFRSが集積されています。
TIの特許取得済のスイッチング周波数ディザリングパターンによって、導電性EMI周波数範囲全体でEMIノイズを大幅に低減できます(150kHz~30MHz)。複数のディザリングスケールオプションを使用して、さまざまなアプリケーションに柔軟性を提供し、EMIノイズフィルタ設計を簡素化できます。充電器は、全負荷範囲での効率性を向上させるために、TI特許取得済のパススルーモード(PTM)での動作が可能です。PTMでは、入力電力は充電器からシステムに直接通過します。MOSFETのスイッチング損失とインダクタコアの損失は高い効率の動作を助けます。bq25720は、32ピン4mm × 4mm WQFNパッケージでご用意があります。
特徴
- bq25710とのピン対ピン互換性あり
- USB-C電源供給(PD)インターフェイス・プラットフォーム用のバックブースト狭電圧DC(NVDC)充電器
- 1~4セル電池を充電するための3.5V~26V入力範囲
- 充電電流最大16.2A/8.1A(5mΩ/10mΩセンシング抵抗器に基づいた128mA/64mAの分解能)
- 最大10A/6.35Aの入力電流制限(5mΩ/10mΩセンシング抵抗器に基づいた100mA/50mA分解能)
- USB 2.0、USB 3.0、USB 3.1、USB電源供給(PD)をサポート
- アダプタに過負荷をかけることなく最高入力電力を抽出するための入力電流オプティマイザ(ICO)
- USB-PD仕様に従った統合高速ロールスワップ(FRS)機能
- バック、バックブースト、ブースト動作間のシームレスな移行
- ソース過負荷に対する入力電流および電圧安定化(IINDPMおよびVINDPM)
- EMIノイズの除去を目的としたTIの特許取得済のスイッチング周波数デザリングパターン
- システム電力効率の向上とバッテリの高速充電を目的としたTI特許取得済のパススルーモード(PTM)で、99%の効率性を達成
- IMVP8/IMVP9準拠のシステム機能(Intelプラットフォーム用)
- 強化されたVminアクティブ保護(VAP)モードにより、最新のIntel仕様に基づき、システムピーク・パワー・スパイク時に入力コンデンサからバッテリを補完
- 包括的なPROCHOTプロファイル
- バッテリのワイヤアウトを回避する2レベルの放電電流制限PROCHOTプロファイル
- システム電力モニタ
- 専用ピンを介した入力およびバッテリ電流モニター
- 電圧、電流、電力を監視するための集積8ビットADC
- アダプタが完全に負荷されている場合にシステムをサポートする、補足モードでのバッテリMOSFETの最適なダイオード動作
- バッテリからUSBポートへの電源供給(USB OTG)
- 8mV分解能で3V~24V OTG
- 最大12.7A/6.35Aの出力電流制限(5mΩ/10mΩセンシング抵抗器に基づいた100mA/50mA分解能)
- 2.2µH/1.0µHインダクタ搭載の、800kHz/1.2MHzプログラマブル・スイッチング周波数
- SMBusホスト制御インターフェイス(柔軟なシステム構成用)
- 安定化とモニターのための高精度
- 充電電圧の±0.5%の安定化
- ±3%の充電電流安定化
- ±2.5%の入力電流安定化
- ±2%入力/充電電流モニタ
- 安全性
- サーマルシャットダウン
- 入力、システム、バッテリの過電圧保護
- 入力、MOSFET、インダクタの過電流保護
- 32ピン4.0mm × 4.0mm WQFNパッケージ
アプリケーション
- スタンダード・ノートPC、Chromebook
- タブレット(マルチメディア)、ワイヤレススピーカ
- 超音波スキャナ、換気装置
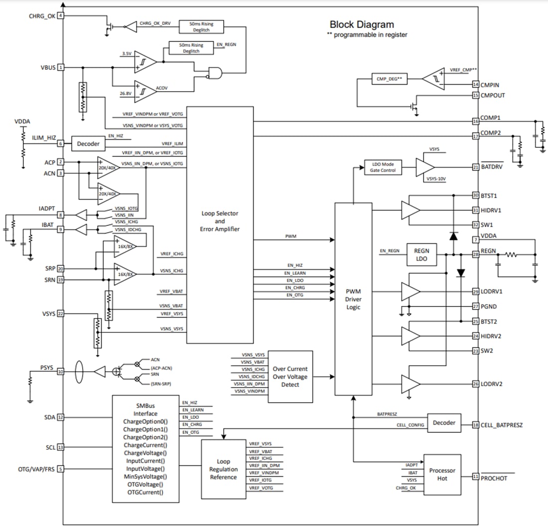
機能ブロック図
