Texas Instruments bq25750昇降圧バッテリ充電コントローラ
Texas Instrumentsbq25750双方向昇降圧バッテリ充電コントローラは、直接電力パス制御を備えた広い入力電圧、リチウムポリマー、スイッチモード昇降圧リチウムイオン、または LiFePO4バッテリ充電コントローラです。このデバイスは、広い電圧範囲にわたる高効率のバッテリ充電、充電電圧レギュレーションと正確な充電電流、自動終了、充電プレコンディショニング、および充電ステータス表示を提供します。このデバイスは昇降圧コンバータのすべてのループ補償を統合し、使いやすい高密度ソリューションを提供します。リバースモードでは、デバイスはバッテリから電力を取得し、SYS 端子の電圧を調整します。このデバイスは、I2Cホスト制御充電モードに加えて、抵抗によりプログラム可能な制限を通じてスタンドアロン充電モードもサポートしています。入力電流、充電電圧レギュレーション、充電電流目標は、それぞれ ILIM_HIZ、ICHG、FB ピンを介して設定できます。このデバイスには、充電と入力電圧のステータスを示す 3 つのステータス ピン (STAT1、STAT2、PG) があります。これらのピンは、ホストプロセッサとの通信やLEDの駆動に使用できます。また、必要に応じて、これらのピンを汎用インジケータとして使用し、そのステータスをI2Cインターフェイスで直接制御できます。INT ピンは、障害などのデバイスのステータスが変化すると、直ちにホストに通知します。
このデバイスは、入力電流、充電電流、入力/バッテリ/システム/サーミスタ電圧を監視するためのアナログ/デジタル コンバータ (ADC) も備えています。Texas Instrumentsbq25750には、0.5mmピンピッチの36 ピン5.0mmx6.0mmQFN パッケージが付属しています。
特徴
- 4.2V~70Vの広い入力電圧動作範囲
- マルチケミストリーサポートによる最大70Vの広いバッテリ電圧動作範囲
- 1~14セルのリチウムイオン充電プロファイル
- 1~16セルのLiFePO4 充電プロファイル
- NFETドライバを備えた同期昇降圧充電コントローラ
- 200kHz~600kHzまで調整可能なスイッチング周波数
- 外部クロックへの同期(オプション)
- ソフトスタートを備えた統合ループ補償
- 効率を最適化するためのオプションのゲートドライバ電源入力
- USB-PD Extended Power Range (EPR) をサポートする双方向コンバータ動作 (リバース モード)
- 入力電圧 (VAC) レギュレーションを3.3Vから65Vまで 20mV/ステップで調整可能
- 5mΩの抵抗を使用して400mA~20Aの範囲で50mA刻みに調整可能な入力電流レギュレーション (RAC_SNS)
- 電力システムの最高効率を実現する直接電力パス管理
- アダプタまたはバッテリーからのシステム電源の選択
- 動的な電源管理
- すべてのNチャネル FET ドライバ
- バッテリの低い静止電流
- 高精度
- 充電電圧の±0.5%の安定化
- ±3%の充電電流安定化
- ±3%入力電流安定化
- 最適なシステム性能を実現するI2C制御、オプションで抵抗によりプログラム可能
- ハードウェアで調整可能な入出力電流制限
- 電圧、電流、温度監視用の集積16ビットADC
- 高度な安全性の統合
- 調整可能な入力過電圧および不足電圧保護
- バッテリーの過電圧および過電流保護
- 充電安全タイマ
- バッテリショート保護
- 熱シャットダウン
- ステータス出力
- アダプタの現在ステータス (PG)
- 充電器の動作状態
- パッケージ
- 36ピン5mm×6mm QFN
アプリケーション
- コードレス電源と園芸工具
- ソーラーバックアップ充電器
- エネルギー貯蔵システム
- ドローン
- 超音波
- X線システム
- 電子病院用ベッドとベッドコントロール
- マルチパラメータ患者モニタ
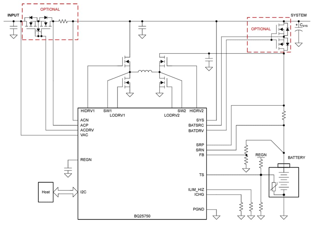
簡略図
公開: 2024-02-02
| 更新済み: 2024-02-16
