Texas Instruments bq25756 昇降圧充電コントローラ
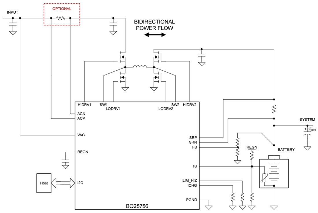
Texas Instruments bq25756昇降圧充電コントローラは、双方向電力フローサポートがある、幅広い入力電圧、スイッチモード昇降圧リチウムイオン、リチウムポリマ、またはLiFePO4 バッテリ充電コントローラです。このデバイスは、広い電圧範囲にわたる高効率のバッテリ充電、正確な充電電流と充電電圧制御、自動充電プレコンディショニング、ターミネーション、および充電ステータス表示を提供します。このデバイスには、バックブーストコンバータのすべてのループ補償が統合されており、使いやすい高密度ソリューションを実現しています。逆モードでは、このデバイスはバッテリから電力を引き出します。保護のための定電流ループが追加されており、入力端子電圧の安定化を図り、USB-PD EPR電力特性をサポートしています。I2Cホスト制御充電モードに加えて、Texas Instruments bq25756は、レジスタのプログラマブル制限によるスタンドアロン充電モードにも対応しています。入力電流、充電電流、および充電電圧制御目標は、それぞれILIM_HIZ、ICHG、およびFBピンを介して設定できます。
特徴
- 広い入力電圧動作範囲:4.2V~70V
- 広いバッテリ電圧動作範囲:最大70V(複数の化学物質サポートあり)
- 1~14セルのリチウムイオン充電プロファイル
- 1〜16セルのLiFePO4 充電プロファイル
- NFETドライバを備えた同期昇降圧充電コントローラ
- 200kHz~600kHzまで調整可能なスイッチング周波数
- 外部クロックへの同期(オプション)
- ソフトスタートを備えた統合ループ補償
- 効率を最適化するためのオプションのゲートドライバ電源入力
- ソーラー充電のための自動最大電力点追跡(MPPT)
- 降圧専用モード
- USB-PD拡張電力範囲(EPR)に対応した双方向コンバータ動作(逆モード)
- 入力電圧(VAC)制御は3.3V~65Vまで20mV/ステップで調整可能
- 5mΩ抵抗器を使用して400mA〜20Aまで50mA/ステップで調整可能な入力電流制御 (RAC_SNS)
- 高精度
- 充電電圧の±0.5%の安定化
- ±3%の充電電流安定化
- ±3%入力電流安定化
- 抵抗プログラマブル・オプションが備わった最適なシステム性能のためのI2C制御
- ハードウェアで調整可能な入出力電流制限
- 電圧、電流、温度監視用の集積16ビットADC
- 高度な安全性の統合
- 調整可能な入力過電圧および不足電圧保護
- バッテリーの過電圧および過電流保護
- 充電安全タイマ
- バッテリショート保護
- 熱シャットダウン
- ステータス出力
- アダプタ現在ステータス(PG)
- 充電器の動作ステータス(STAT1、STAT2)
- 36ピン5mm×6mmQFNパッケージ
アプリケーション
- キックeスクータ、eバイク
- コードレス電動工具、園芸工具
- ロボット芝刈り機
- ポータブル電源ステーション
- コードレス掃除機、お掃除ロボット
- ソーラー充電器
- USB-PD EPR(拡張電力範囲)
簡略図
その他のリソース
公開: 2023-10-18
| 更新済み: 2024-01-15
