Texas Instruments bq25756E昇降圧バッテリ充電コントローラ
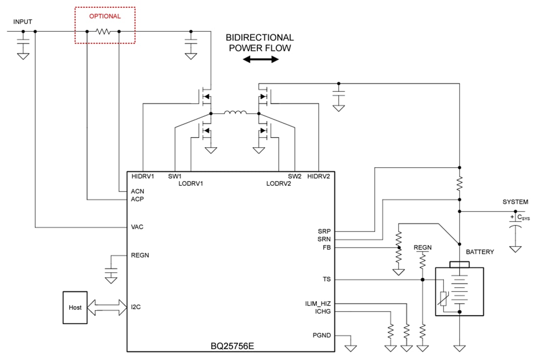
Texas Instruments bq25756E昇降圧バッテリ充電コントローラは、広い入力電圧に対応するスイッチモード昇降圧リチウムイオン、リチウムポリマ、あるいはLiFePO4 バッテリ充電コントローラであり、双方向の電力フローをサポートしています。このデバイスは、正確な充電電流と充電電圧の調整、広い電圧範囲にわたる高効率のバッテリ充電、終了と充電ステータスの表示、および自動充電プレコンディショニングを提供します。このデバイスは昇降圧コンバータのすべてのループ補償を統合し、使いやすさを備えた高密度ソリューションを提供します。デバイスはリバースモードでバッテリから電力を消費します。保護のための定電流制限を追加して入力端子電圧を調整し、USB-PD EPR電力プロファイルをサポートします。Texas Instruments bq25756Eは、I2Cホスト制御充電モードに加えて、抵抗によりプログラム可能な制限を通じてスタンドアロン充電モードもサポートしています。入力電流、充電電圧レギュレーション、充電電流目標は、それぞれ ILIM_HIZ、ICHG、FB ピンを介して設定できます。
特徴
- 4.2V~36Vの広い入力電圧動作範囲
- マルチケミストリーサポートによる最大36Vの広いバッテリ電圧動作範囲
- 1~7セルのリチウムイオン充電プロファイル
- 1~9セルのLiFePO4 充電プロファイル
- NFETドライバを備えた同期昇降圧充電コントローラ
- スイッチング周波数を200kHzから600kHzまで調整可能
- 外部クロックへの同期(オプション)
- ソフトスタートを備えた統合ループ補償
- 効率を最適化するためのオプションのゲートドライバ電源入力
- ソーラー充電のための自動最大電力点追跡 (MPPT)
- USB-PD Extended Power Range (EPR) をサポートする双方向コンバータ動作 (リバースモード)
- 入力電圧 (VAC) レギュレーションを3.3Vから36Vまで20mV/ステップで調整可能
- 5mΩの抵抗を使用して400mA~20Aの範囲で 50mA刻みに調整可能な入力電流レギュレーション (RAC_SNS)
- 高精度
- 充電電圧の±0.5%の安定化
- ±3%の充電電流安定化
- ±3%入力電流安定化
- 最適なシステム性能を実現するI2C制御、オプションで抵抗によりプログラム可能
- ハードウェアで調整可能な入出力電流制限
- 電圧、電流、温度監視用の集積16ビットADC
- 高度な安全性の統合
- 調整可能な入力過電圧および不足電圧保護
- バッテリーの過電圧および過電流保護
- 充電安全タイマ
- バッテリショート保護
- 熱シャットダウン
- ステータス出力
- アダプタ現在ステータス(PG)
- 充電器の動作ステータス (STAT1、ステータス2)
- 36ピン5mm×6mm QFNパッケージ
アプリケーション
- コードレス電動工具、園芸工具
- ロボット芝刈り機
- ポータブル発電所
- コードレス掃除機、お掃除ロボット
- ソーラー充電器
簡略図
公開: 2024-02-05
| 更新済み: 2024-02-12
