TI BQ25758双方向昇降圧コントローラは、I2Cホスト制御モードを搭載し、プログラム可能なハードウェア制限をサポートします。IIN ピンとIOUT ピンの単一抵抗器により、入力および出力電流安定化ターゲットを設定できます。デフォルトで、BQ25758は5V出力を供給するようにプログラミングされており、ターゲット出力電圧はVOUT_REGレジスタビットを通じて調整することができます。
特徴
- 4.2V ~ 60Vの広い入力電圧動作範囲
- 同期昇降圧DC/DCコントローラ (NFETドライバ搭載)
- 200kHz~600kHzまで調整可能なスイッチング周波数
- オプションで外部クロックに同期
- ソフトスタートを備えた統合ループ補償
- 軽負荷効率性を向上するために選択可能なPFM動作 (PFMまたは強制PWMオプション)
- 効率を最適化するためのオプションのゲートドライバ電源入力
- 順方向と逆方向の電力方向でUSB-PD拡張電力範囲(EPR) をサポート
- 入力および出力電圧安定化は、20mV/ステップで3.3V ~ 60Vの範囲で調節可能
- 入力および出力電流安定化 (RAC_SNS、ROUT_SNS) は、5mΩ抵抗器を使用して50mA/ステップで400mA ~ 20Aの範囲で調節可能
- VOUT = VAC で最高の効率性を実現するバイパスモード
- 電圧、電流、温度モニタリング用の統合16ビットADC
- 降圧専用モード
- 高精度
- ±2%出力電圧安定化
- 出力電流安定化:±3%
- 入力電圧安定化:±2%
- ±3%入力電流安定化
- 最適なシステム性能のためのI2C制御(抵抗によってプログラム可能なオプションあり)
- ハードウェア調整可能な入力および出力電流制限
- 高度な安全性の統合
- 調整可能な入力過電圧および不足電圧保護
- 出力過電圧および過電流保護
- 熱シャットダウン
- ステータス出力
- アダプタ現在ステータス(PG)
- スイッチャ動作状態 (STAT)
- 36ピン5mm×6mmQFNパッケージ
アプリケーション
- ドッキングステーション
- モニター
- USB-PD EPR(拡張電力範囲)
- 昇降圧および降圧専用の動作
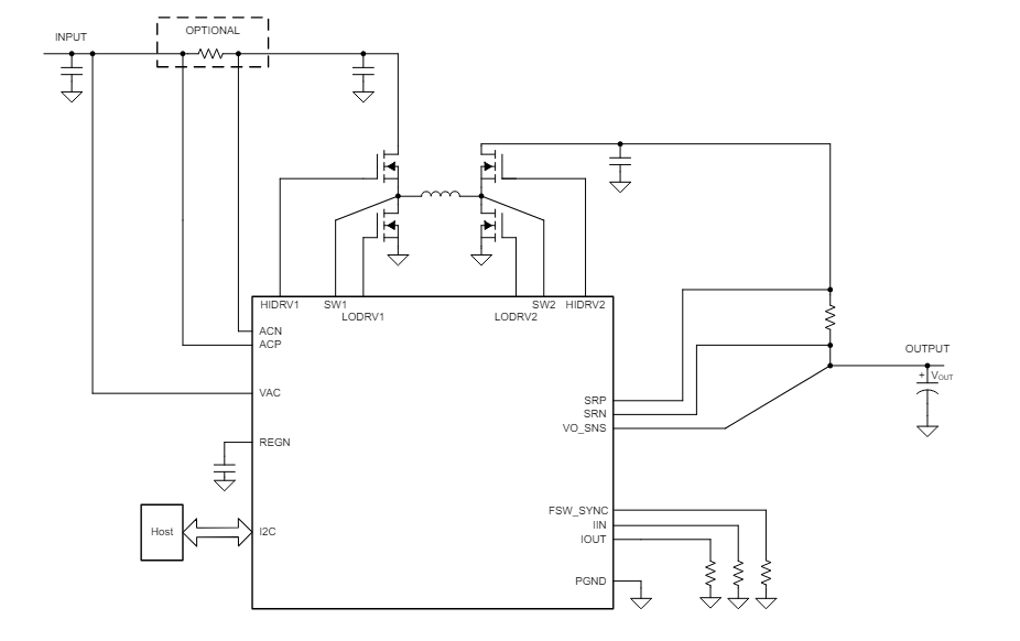
簡略図
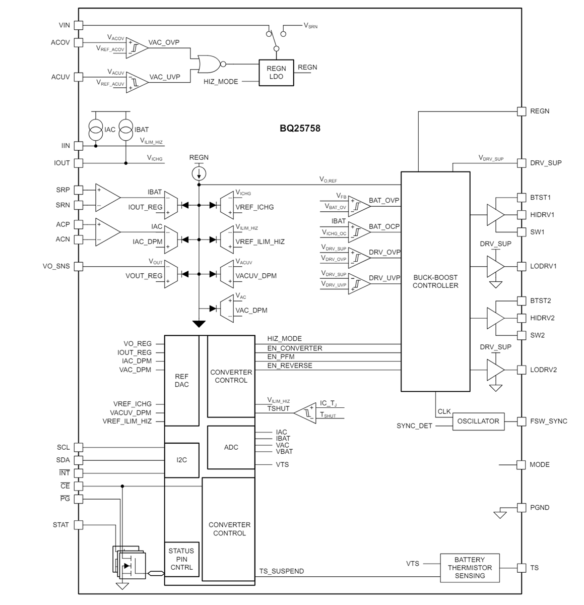
機能ブロック図
公開: 2024-05-13
| 更新済み: 2025-07-24

