Texas Instruments bq25758S双方向バックブーストコントローラ
Texas Instruments bq25758S双方向バックブーストコントローラは、広い入力電圧、双方向スイッチモードバックブーストコントローラです。このデバイスには、効率性の高い電力変換が備わっており、広い電圧範囲全体での出力CC-CV制御が備わっています。このデバイスには、バックブーストコンバータ用のすべてのループ補償が統合されており、使い勝手の良い高密度ソリューションを実現しています。逆モードでは、このデバイスは出力電源から電力を消費し、保護用に追加された定電流ループを用いて入力端子電圧の安定化を図ります。Texas Instruments bq25758Sは、I2Cホスト制御モードに加えて、プログラム可能なハードウェア制限に対応しています。IIN 、およびIOUT ピンの単一レジスタでと、入力電流と出力電流の調整目標を設定できます。このデバイスは、デフォルトで5V出力を実現するようにプログラミングされており、ターゲット出力電圧はVOUT _ REGレジスタビット経由で調整できます。
特徴
- 4.4V ~ 26V広い入力電圧動作範囲
- 同期バックブーストDC-DCコントローラ(NFETドライバ搭載)
- 調整可能なスイッチング周波数: 200kHz ~ 600kHz
- 外部クロックへの同期(オプション)
- ソフトスタートを備えた統合ループ補償
- 軽負荷効率向上のための選択可能なPFM動作
- 効率最適化のためのオプションのゲートドライバ供給入力
- 順方向と逆方向におけるUSB-PD拡張電力範囲(EPR)をサポート
- 20mV/ステップで3.3V ~ 26Vの調節可能な入力および出力電圧安定化
- 5mΩレジスタを使用して50mA/ステップで400mA ~ 20Aの調節可能な入出力電流安定化(RAC _ SNS、ROUT _ SNS)
- 高精度
- ±2%出力電圧レギュレーション
- 出力電流安定化:±3%
- 入力電圧安定化:±2%
- ±3%入力電流安定化
- VOUT = VAC での最高効率のためのバイパスモード
- バック専用モード
- レジスタプログラム可能なオプションで最適なシステム性能のための I2C制御
- ハードウェアで調整可能な入出力電流制限
- 電圧、電流、温度監視用の集積16ビットADC
- 高度な安全性の統合
- 調整可能な入力過電圧および低電圧保護
- 出力過電圧および過電流保護
- 熱シャットダウン
- ステータス出力
- アダプタの現在状態(PG)
- スイッチャ動作状態 (STAT)
- 36ピン5mm × 6mmのQFNパッケージ
アプリケーション
- ドッキングステーション
- モニター
- USB-PD EPR (拡張された電力範囲)
- 昇降圧および降圧専用の動作
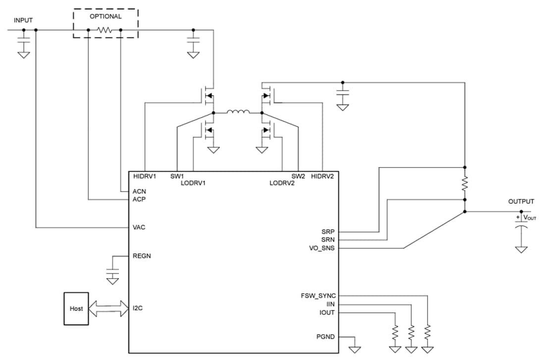
簡略図
公開: 2024-09-24
| 更新済み: 2024-10-02
