Texas Instruments bq25898C I2C制御シングルセル3A充電器IC
Texas Instruments bq25898C I2C制御シングルセル3A充電器ICは、高度に統合されたスイッチモードバッテリ充電管理およびシステムパワーパス管理デバイスで、シングルセルリチウムイオンおよびリチウムポリマーバッテリ用です。このデバイスは、充電用の高入力電圧に対応しています。低インピーダンス出力経路により、スイッチモード動作効率を最適化し、電池充電時間を低減することで、放電時の電池寿命を延長します。充電およびシステム設定によるI2Cシリアルインターフェイスを採用したこのデバイスは、本物の柔軟性を備えたソリューションです。特徴
- デュアル充電器動作において高速充電を実現するためのスレーブ充電器としての動作
- 最低限のBOMを用いたシンプルな構成
- 高効率3A、1.5MHzスイッチモード・バック充電
- 3Aで92%の充電効率性、および2Aの充電電流で94%の充電効率性
- 高電圧入力(9V/12V)用に最適化
- 軽負荷動作向けの低消費電力PFMモード
- USB入力対応シングル入力、調整可能高電圧アダプタ
- 3.9V~14Vの入力電圧範囲に対応
- 入力電流制限(50mA分解能で100mA~3.25A)がUSB 2.0、USB 3.0標準および高電圧アダプタに対応
- 広範囲の入力ダイナミック電力管理(DPM)
- 5mΩでの最高のバッテリの放電効率
- デフォルトでは充電無効化
- システムモニタ(電圧、充電電流)用の統合ADC
- 最適システム性能のための柔軟性の高い自律およびI2Cモード
- リモート・バッテリ検出
- 高度な統合には全てのMOSFET、電流検知、ループ補償を含む
- 高精度:
- 充電電圧の±0.5%の安定化
- ±5%の充電電流安定化
- ±7.5%の入力電流安定化
- 安全性:
- 熱調節と熱シャットダウン
- 入力UVLO/過電圧保護
- バッテリOVP
- 安全タイマ
アプリケーション
- スマートフォン
- タブレットPC
- ポータブルインターネットデバイス
回路図の簡素化
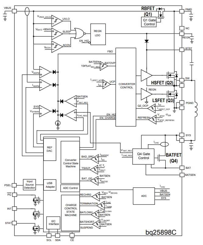
ブロック図
公開: 2016-05-23
| 更新済み: 2022-03-11
