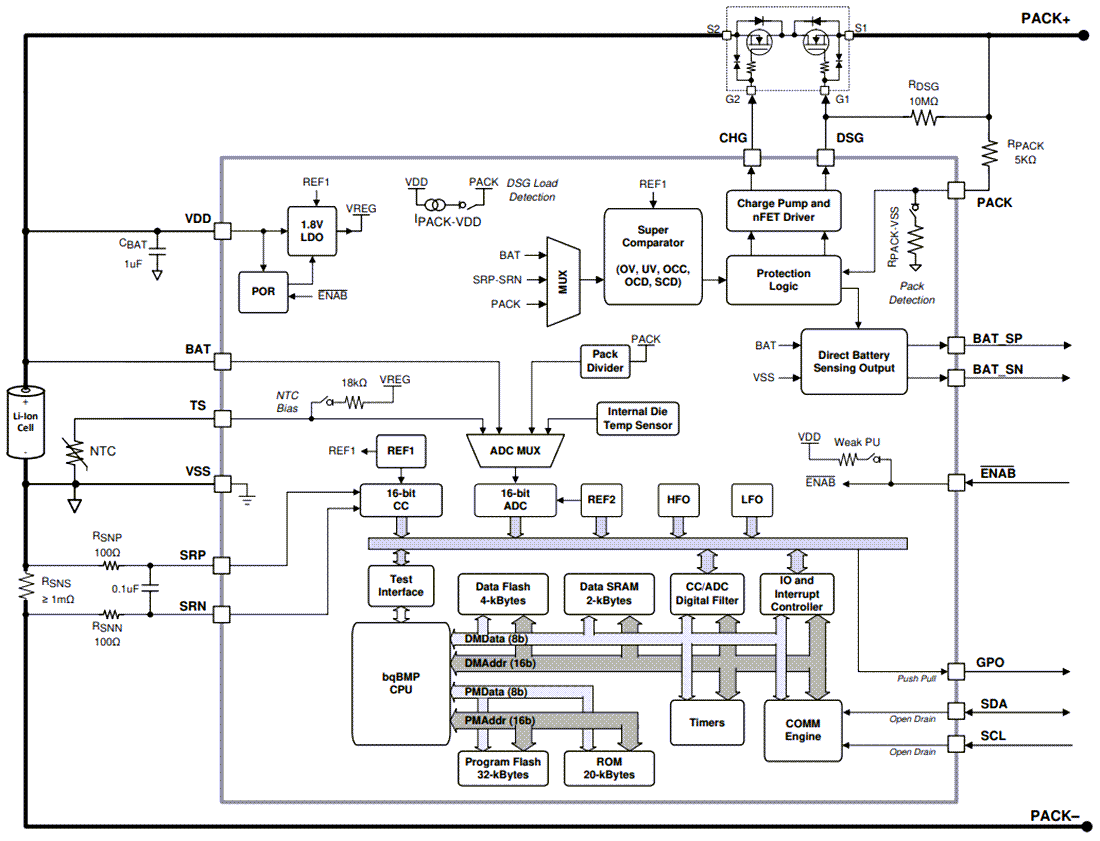
Texas Instruments bq27Z746バッテリ残量計は、I2C互換インターフェイスを介して通信を行い、超低消費電力TI BQBMPプロセッサ、高精度アナログ測定機能、統合フラッシュメモリを組み合わせています。また、N-ChハイサイドFETドライブとSHA-2認証変換レスポンダが搭載されており、デバイスを完全な高性能バッテリ管理ソリューションとしています。
特徴
- 統合バッテリ残量計と保護装置
- フラッシュ・プログラマブル・カスタムBQBMP RISC CPU
- SHA-256認証
- 400kHz I2Cバス通信インターフェイス
- 低電圧(2.0V)動作
- 2つの独立した高精度16ビットADC
- 最低1mΩまでの電流センス・レジスタが搭載されているクーロン・カウントADC
- セル電圧および外部/内部温度センサ用の電圧ADC
- 特許取得済のImpedance Track™技術に基づいたバッテリ残量計測
- 正確な時間対時間の予測を目的としたバッテリ放電曲線のモデル
- バッテリでの経年劣化、温度、レート誘導の影響に合わせて自動調整
- バッテリKelvinセンス差動アナログ出力ピン(内蔵保護搭載)
- ハイサイドまたはローサイド電流センシング
- プログラマブル・ハードウェアベースの保護
- ハイサイドFETゲートドライバ
- 過電圧と低電圧(OVP、UVP)
- 放電での過電流、および充電での過電流(OCD、OCC)
- 短絡回路の放電(SCD)
- ファームウェアベースの過熱(OT)
- 一般的な電力モードを削減
- スリープモード(20µA)
- SHIPモード(10µA)
- SHELFモード(5µA)
- SHUTDOWNモード(0.2µA)
- 超コンパクト、15ボールNanoFree™ DSBGA
アプリケーション
- 1シリーズ充電式バッテリを搭載したあらゆるエンド機器
- スマートフォン
- タブレット
- カメラ
- 携帯用ウェアラブル/医療
- 産業用ハンドヘルド
機能ブロック図
公開: 2022-04-04
| 更新済み: 2022-06-09

