Texas Instruments bq40Z50-R1リチウムイオン電池パックマネージャ
Texas Instruments bq40Z50-R1 Li-Ion Battery Pack Manager is a fully integrated device for Li-Ion and Li-Polymer battery packs. The device incorporates Impedance Track™ technology that provides a rich array of features for gas gauging, protection, and authentication. This can be for 1, 2, 3, and 4-series cell Li-Ion and Li-Polymer battery packs. Using its integrated analog peripherals it measures and maintains an accurate record of available capacity, voltage, current, temperature, and other critical parameters. It can also report this information to the system host controller over an SMBus interface. The compact package minimizes solution cost and size for smart batteries. It does this while providing maximum functionality and safety for battery gauging applications.特徴
- Fully integrated 1-series, 2-series, 3-series, and 4-series Li-Ion or Li-Polymer cell battery pack manager and protection
- Next-generation patented impedance Track™ Technology accurately measures available charge in Li-Ion and Li-Polymer batteries
- High side N-CH protection FET drive
- Integrated cell balancing while charging or at rest
- Full-Array of Programmable Protection Features
- Voltage
- Current
- Temperature
- Charge timeout
- CHG/DSG FETs
- AFE
- Sophisticated Charge Algorithms
- JEITA
- Enhanced charging
- Adaptive charging
- Cell balancing
- Supports TURBO BOOST mode
- Supports Battery Trip Point (BTP)
- Diagnostic lifetime data monitor and black box recorder
- LED display
- Supports two-wire SMBus v1.1 interface
- SHA-1 authentication
- Compact package: 32-lead QFN (RSM)
アプリケーション
- Notebook/Netbook PCs
- Medical and test equipment
- Portable instrumentation
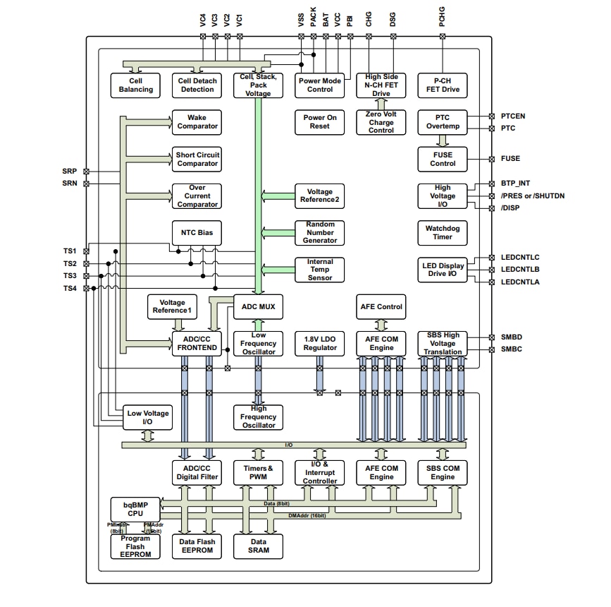
Block Diagram
View Results ( 4 ) Page
| 部品番号 | データシート | 動作供給電圧 | 容量 |
|---|---|---|---|
| BQ40Z50RSMR-R1 | ![]() |
2.2 V to 26 V | |
| BQ40Z50RSMR-R2 | ![]() |
2.2 V to 26 V | 100 mAh to 29 Ah |
| BQ40Z50RSMT-R1 | ![]() |
2.2 V to 26 V | |
| BQ40Z50RSMT-R2 | ![]() |
2.2 V to 26 V | 100 mAh to 29 Ah |
公開: 2015-09-03
| 更新済み: 2022-03-11

