Texas Instruments bq51013C/bq51013C-Q1ワイヤレスQi電源
Texas Instruments bq51013C/bq51013C-Q1ワイヤレスレシーバQi (WPC v2.0)準拠電源は、シングルチップ、高度、柔軟性に富んだ二次側デバイスで、最大5Wを供給するポータブルアプリケーションでのワイヤレス電力伝送を目的としています。bq51013C/bq51013C-Q1には、ワイヤレスパワーコンソーシアム(WPC) Qi v2.0通信プロトコルへの準拠に必要なデジタル制御が統合されていると同時に、レシーバ(RX) AC/DC電力変換と安定化が備わっています。bq500212A一次側コントローラ(またはその他のQiトランスミッタ)とbq51013C/bq51013C-Q1を組み合わせると、ワイヤレス電源ソリューション用の完全非接触電力伝送システムが可能になります。グローバルフィードバックは、Qi v2.0プロトコルを使用して、セカンダリサイドからプライマリサイドに伝達され、電力転送プロセスを制御します。TI bq51013C/bq51013C-Q1には、低抵抗同期整流器、低ドロップアウトレギュレータ(LDO)、デジタル制御、正確な電圧・電流ループが統合されており、高い効率性と低電力損失が保証されます。
bq51013C-Q1は、自動車アプリケーションを対象としたAEC-Q100認定を受けています。
特徴
- 車載アプリケーション向けに認定済(bq51013c-Q1)
- AEC-Q100の認定を受けており、結果は-40°C ~+125°Cのデバイス温度グレード1
- 統合型ワイヤレス電力受信機ソリューション
- ピーク時AC-DC効率:93%
- 完全同期整流器
- WPC v2.0準拠の通信制御
- 出力電圧コンディショニング
- Rxコイルと出力の間にICのみ必要
- 負荷過渡応答の改善のための動的整流器制御
- ワイヤレス電力転送(WPC)v2.0準拠、FOD対応の高精度電流センス
- 広範囲の出力電力にわたる最適な性能を実現するための動的効率スケーリング
- 信頼性の高い通信を実現するための適応型通信制限
- 最大入力対応:20V
- 低消費電力のダイナミック整流器過電圧クランプ(VOVP = 15V)
- 熱シャットダウン
- 温度モニタリング、充電完了、及び故障ホスト制御のための多機能NTCおよび制御ピン
アプリケーション
- WPC v2.0準拠レシーバー
- パッシブエントリー・パッシブスタート(PEPS)
- 超音波スマートプローブ
- 携帯電話とスマートフォン
- ヘッドセット
- ハンドヘルドデバイス
ワイヤレスパワーシステムの概要
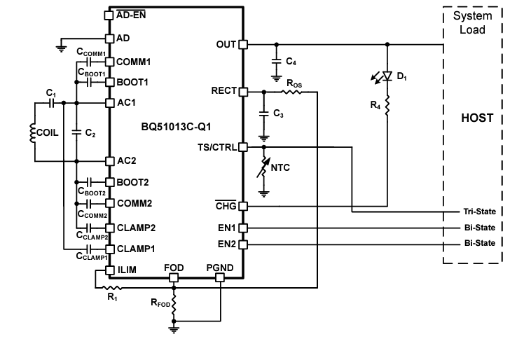
簡略図
その他のリソース
公開: 2024-10-29
| 更新済み: 2025-05-09
