Texas Instruments BQ76922 3~5シリーズバッテリモニタ
Texas Instruments BQ76922 3~5シリーズバッテリモニタは、ハイサイドチャージポンプ非電界効果トランジスタドライバ、外部システム用プログラム可能なLDO、400kHzI2Cおよび HDQワンワイヤ規格をサポートするホスト通信ペリフェラルを高精度に統合しています。TI BQ76922は、3~5シリーズリチウムイオン、リチウムポリマー、およびLiFePO4 バッテリパックを監視および保護します。BQ76922は、高精度のモニタリングシステム、高度に設定可能な保護サブシステム、および自律的またはホスト制御のセルバランシングをサポートしています。BQ76922は、32 ピン4mmx4mmQFN パッケージに収められています。特徴
- 3シリーズ~5シリーズセルバッテリ監視機能
- オプションの自律回復機能が搭載された高圧側NFET保護のための集積充電ポンプ
- 電圧、温度、電流、内部診断をはじめとする豊富な保護スイート
- 2つの独立したADC
- 電流と電圧の同時サンプリングに対応
- 入力オフセットエラー< 1µV(代表値)の高精度クーロンカウンタ
- 高精度セル電圧測定<10mV(代表値)
- ワイドレンジ電流アプリケーション(±200mVセンス抵抗にわたる測定範囲)
- 集積二次化学ヒューズ駆動保護
- 自律またはホスト制御されているセルバランシング
- 生産ラインでのランダムなセル取り付け順序に対応
- 複数の電力モード(標準的なバッテリパックの動作範囲条件)
- 286µAのNORMALモード
- 24µA~41µAの複数のSLEEPモードオプション
- 9µA~10µAの複数のDEEPSLEEPモードオプション
- 1µAのシャットダウンモード
- セル接続および選択された追加ピン60Vの高電圧耐性
- 内部センサと最大5個の外部サーミスタによる温度検知をサポート
- 生産ラインで顧客がプログラム可能なワンタイム・プログラマブル(OTP)メモリを内蔵
- 通信オプションには、400kHz I2C、HDQ 1線式インターフェイスが含まれます。
- 外部システム用プログラマブルLDO
- 32ピンQFNパッケージ(RSN)
アプリケーション
- コードレス電動工具とガーデンツール
- 電気掃除機
- ロボット掃除機
- 非軍事ドローン
- その他の産業用バッテリーパック(3シリーズ~5シリーズ)
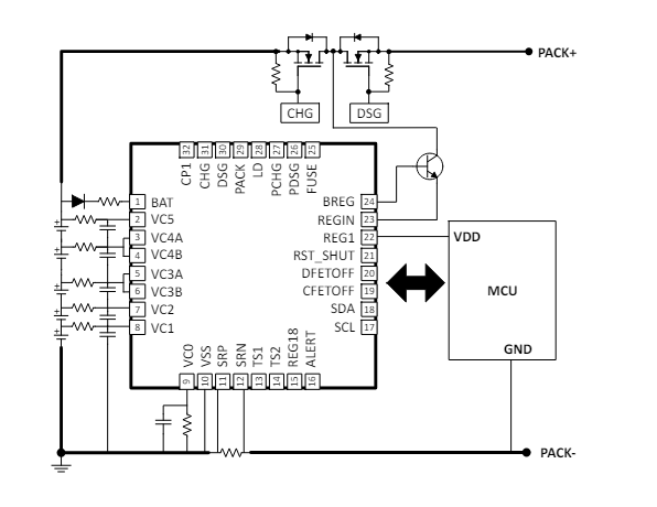
簡略図
公開: 2024-05-23
| 更新済み: 2024-06-05
