Texas Instruments bq76942マルチセルバッテリモニター
Texas Instruments bq76942マルチセルバッテリモニターは、高度に集積された高精度バッテリモニターと保護装置で、3シリーズ~10シリーズのリチウムイオン、リチウムポリマ―、LiFePO4電池パックを対象としています。このデバイスには、高精度監視システム、高レベルに構成できる保護サブシステムが搭載されており、自立またはホスト制御によるセルバランシングをサポートします。集積には、高圧側の充電ポンプNFETドライバ、外部システム用途のためのデュアルプログラマブルLDO、および400kHz I2C、SPI、HDQ 1-Wire規格をサポートしているホスト通信周辺機器があります。Texas Instruments bq76942は、48ピンTQFPパッケージでご用意があります。特徴
- 3シリーズ~10シリーズ・セルのバッテリ監視機能
- オプションの自律回復機能が搭載された高圧側NFET保護のための集積充電ポンプ
- 電圧、温度、電流、内部診断をはじめとする豊富な保護スイート
- 2つの独立したADC
- 電流と電圧の同時サンプリングに対応
- 入力オフセット誤差1µV未満(標準)の高精度クーロン・カウンタ
- 高精度セル電圧計測 < 10mV(標準)
- 広範な電流アプリケーション(センス抵抗器全体で±200mVの測定範囲)
- 集積二次化学ヒューズ駆動保護
- 自律またはホスト制御されているセルバランシング
- 複数の電力モード(標準電池パック動作範囲条件)
- NORMALモード (286µA)
- 複数のSLEEPモード・オプション(24µA~41µA)
- 複数のDEEPSLEEPモード・オプション(9µA~10µA)
- SHUTDOWNモード (1µA)
- セル接続で85Vの高電圧許容差と追加ピンの選択
- 生産ラインでのランダム・セル取付シーケンスの許容
- 内部センサと最大9台の外部サーミスタを使用した温度センシングをサポート
- 製造ラインのお客様によってプログラミングできる集積ワンタイムプログラマブル(OTP)メモリ
- 通信オプションには、400kHz I2C、SPI、HDQ 1-Wireインターフェイスを含む
- 外部システム用途のためのデュアルプログラマブルLDO
- 48ピンTQFPパッケージ(PFB)
アプリケーション
- コードレス電動工具と園芸工具
- 電気掃除機
- 電動自転車、電動スクーター、LEV
- 非軍事ドローン
- その他の工業バッテリパック(3シリーズ–10シリーズ)
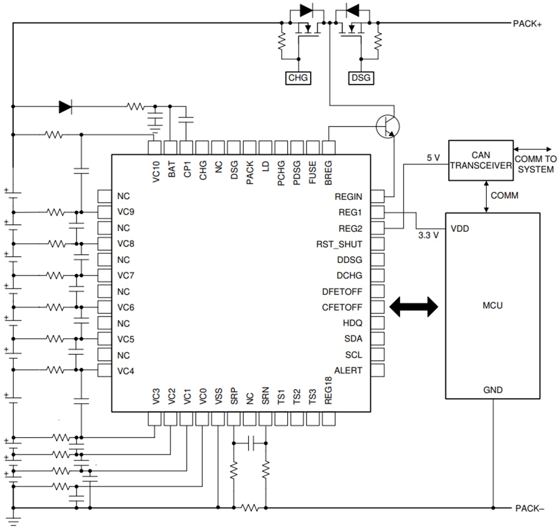
簡略図
公開: 2021-02-22
| 更新済み: 2022-03-11
