Texas Instruments bq76952高精度バッテリモニタと保護装置
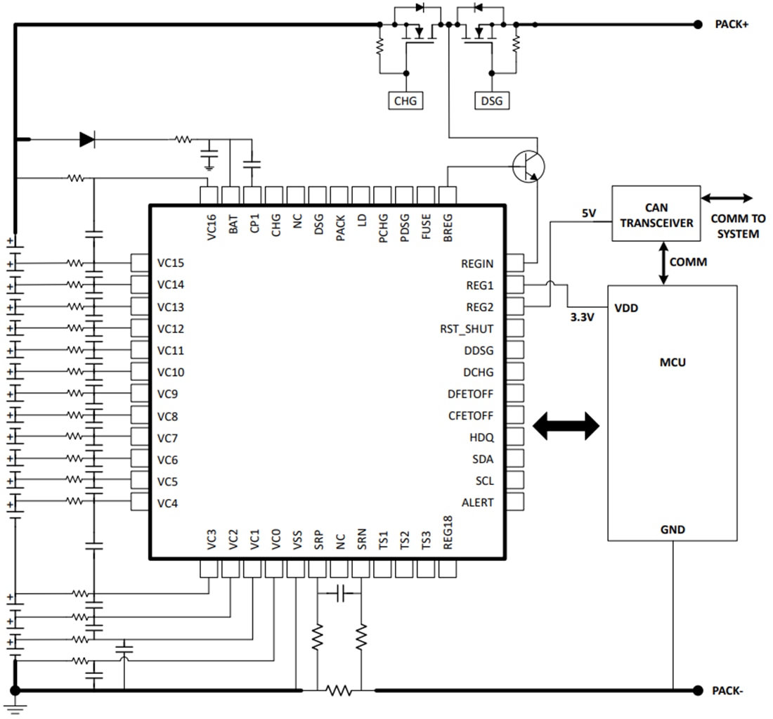
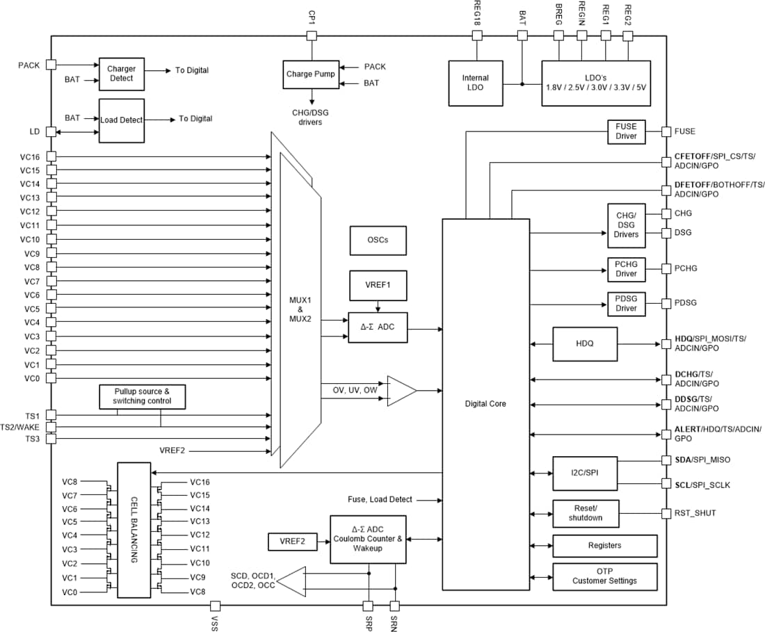
Texas Instruments bq76952高精度バッテリモニタと保護装置は、 3シリーズ~16シリーズのリチウムイオン、リチウムポリマ、LiFePO4 バッテリパックです。このデバイスには、高精度監視システム、高レベルに構成できる保護サブシステムが搭載されており、自立またはホスト制御によるセルバランシングをサポートします。集積には、高圧側の充電ポンプNFETドライバ、外部システム用途のためのデュアルプログラマブルLDO、および400kHz I2C、SPI、HDQ 1-Wire規格をサポートしているホスト通信周辺機器があります。Texas Instruments bq76952は、48ピンTQFPパッケージでご用意があります。特徴
- 3シリーズ~16シリーズ・セルのバッテリ監視機能
- オプションの自律回復機能が搭載された高圧側NFET保護のための集積充電ポンプ
- 電圧、温度、電流、内部診断をはじめとする豊富な保護スイート
- 2つの独立したADC
- 電流と電圧の同時サンプリングに対応
- 入力オフセットエラー 1µV未満(標準)の高精度クーロン・カウンタ
- 高精度セル電圧測定 <10mV(標準)
- 複数の電力モード(標準バッテリパック動作範囲条件)
- NORMALモード (286µA)
- 複数のSLEEPモード・オプション(24µA~41µA)
- 複数のDEEPSLEEPモード・オプション(9µA~10µA)
- シャットダウンモード(1µA)
- 広範な電流アプリケーション(センス抵抗器全体で±200mVの測定範囲)
- 集積二次化学ヒューズ駆動保護
- 自律またはホスト制御されているセルバランシング
- セル接続および追加ピンの選択における85Vの高電圧耐性
- 生産ラインでのランダム・セル取付シーケンスの許容
- 内部センサと最大9台の外部サーミスタを使用した温度センシングをサポート
- 製造ラインのお客様によってプログラム可能な集積ワンタイムプログラマブル(OTP)メモリ
- 通信オプションには、400kHz I2C、SPI、HDQ 1-Wireインターフェイスを含む
- 外部システム用途のためのデュアルプログラマブルLDO
- 48ピンTQFPパッケージ(PFB)
アプリケーション
- バッテリバックアップ装置(BBU)
- 電動自転車、電動スクーター、LEV
- コードレス電動工具と園芸工具
- 非軍事ドローン
- その他の産業用バッテリパック(≥ 10秒)
その他の資料
- 設計: TIDA-010208
- アプリケーション・ノート: bq769x2バッテリ・モニタのセル・バランシング機能
- アプリケーション・ノート: bq769x2バッテリ・モニタの複数FET
- アプリケーション・ノート: ローサイドFETを採用したbq769x2バッテリ・モニタ・ファミリ
- アプリケーション・レポート: bq769x2のソフトウェア開発ガイド
- アプリケーション・レポート: bq76952の高電圧応力に関するレポート
- アプリケーション・レポート: bq76942、bq76952各バッテリ・モニタの簡単な構成
- アプリケーション・レポート: bq76952バッテリ・モニタ・ファミリのパラレル・パス
- アプリケーション・レポート: bq76952、bq76942、bq769142のピン等価図
- プログラマー・ガイド: bq769x2のキャリブレーションとOTPのプログラミングガイド
- テストレポート: bq76942 IEC ESD 61000-4-2のテストレポート
- ユーザー・ガイド: bq76952の技術参照マニュアル
電気スクーターのブロック図
バッテリモニタのブロック図
簡略図
公開: 2020-11-02
| 更新済み: 2024-09-16
