Texas Instruments BQ77915超低消費電力バッテリ・パック・プロテクタ
Texas Instruments BQ77915超低消費電力バッテリ・パック・プロテクタには、電圧、電流、温度保護機能のスイートが採用されています。BQ77915には、スマート・セル・バランシング・アルゴリズムが採用されており、マイクロコントローラ(MCU)を使用する必要がありません。BQ77915プロテクタは、バッテリ・パック用に設計されており、ホスト・モニタリングは不要です。このデバイスには、スタッカブル・インターフェイスが採用されており、3~20シリーズおよびそれ以上のバッテリ電池アプリケーションをサポートしているシンプルなスケーリングが備わっています。工場出荷時にプログラミングされた保護閾値と遅延は、広範な構成で供給されています。別途の過温度および不足温度閾値によって、充電(OTCとUTC)および放電(OTDとUTD)の両方に対してさらなる柔軟性が実現しています。デバイスでのパック保護は、統合独立CHGおよびDSDローサイドNMOS FETドライバによってサポートされています。これらのデバイスは、2つの制御ピンから無効にできます。また、これらのピンを使用して、簡単で経済的な方法のさらなる高シリーズのためのセル保護ソリューションを達成できます。
これらのソリューションは、さらなる高デバイスCHGおよびDSG出力を簡素化することで達成されており、直下のデバイス制御ピンにカスケード接続できます。放電過電流保護遅延は、OCDPピンからVSSに接続されたレジスタを使用してプログラミングでき、これによって適応性が向上します。BQ77915プロテクタは、最大50mAまでのセルバランシング電流のための統合FETを使用することで、スマートな受動セルバランシング・アルゴリズムを達成しています。
特徴
- 3シリーズから20シリーズ以上の拡張可能なセル数
- 電圧保護(精度OVで±10mV、UVで±18mV)
- 過電圧: 3V~4.575V
- 不足電圧: 1.2V~3V
- オープンセルおよびオープンワイヤ検出(OW)
- 電流保護
- 過電流放電1: –10mV~–85mV
- 過電流放電2: –20mV~–170mV
- 短絡放電: –40mV~–340mV
- 温度保護
- 過温度充電: 45°Cまたは50°C
- 過温度放電: 65°Cまたは70°C
- 独立充電(CHG)および放電(DSG)FETドライバ
- スマート・セル・バランシング・アルゴリズムには、統合FET(最大50mAバランシング電流)が備わっており、さらなる高セルバランシング電流のための外部FETもサポート
- 超低消費電力HIBERNATEモード
- セル入力ごとの高36V絶対最大定格
- レジスタ・プログラマブル過電流(OCD1/2)遅延
- シャットダウン・モード: 最大0.5µA
- 超低自己消費電流: 標準8µA(通常モード)、2µA(休止状態モード)
- 電圧、電流、温度保護の完全スイート
- スマート・パッシブ・セル・バランシングによってセル間の不均衡を解消
アプリケーション
- 電力ツール、園芸用具
- ロボット掃除機、掃除機、ホバーボード
- 電動自転車
- 10.8V~72Vパック
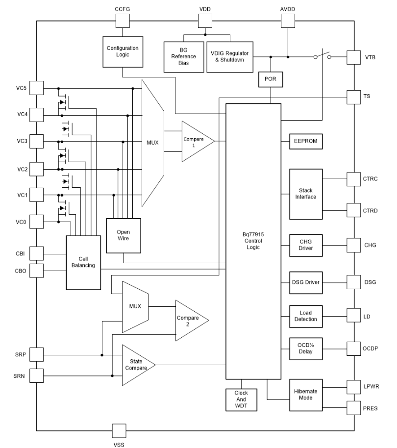
ブロック図
公開: 2018-10-11
| 更新済み: 2023-06-21
