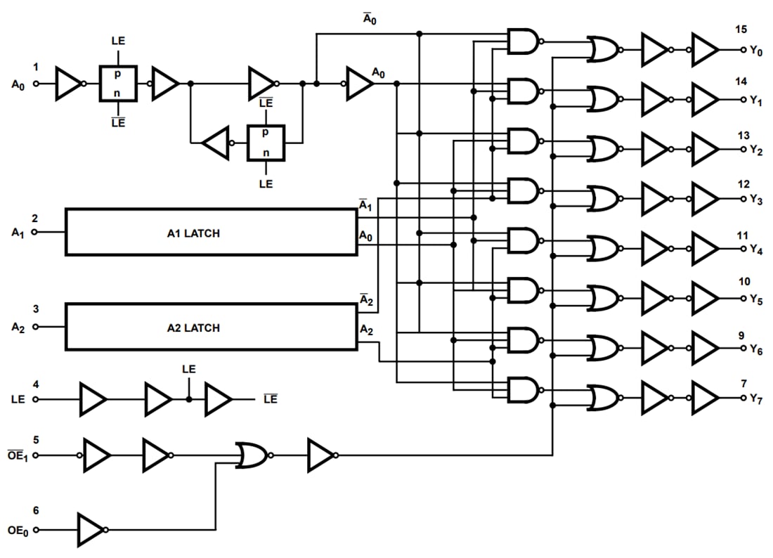
これらの回路には3つのバイナリ・セレクト入力(A0、A1、A2)があり、アクティブHighのラッチ・イネーブル(LE)信号でラッチすることができます。これは、セレクト入力の変化から出力を切り離すために行われます。LowのLEは出力を入力に対して透明にし、回路は1to 8デコーダとして機能します。2つの出力イネーブル入力(OE1およびOE0)は、デマルチプレクスを容易にし、カスケード接続を簡素化します。デマルチプレクス機能は、A0、A1、A2入力を使用して希望の出力を選択します。一方の出力イネーブル入力をアクティブ状態に保持し、もう一方の出力イネーブル入力をデータ入力として保持します。Texas Instruments CD74HC137およびCD74HCT137では、選択された出力は「Low」、CD74HCT237では「High」となっています。
特徴
- 8つのデータ出力から1つを選択
- CD74HC137およびCD74HCT137
- CD74HCT237ではアクティブハイ
- I/Oポートまたはメモリセレクタ
- カスケード接続を容易にする2つのイネーブル入力
- 標準伝搬遅延 (CD74HC237):13ns(VCC = 5V、15pF、 TA = 25°C時)
- ファンアウト(温度範囲)
- 標準出力:10 LSTTL負荷
- バスドライバ出力:15LSTTL負荷
- 広い動作温度範囲 :-55°C~125°C
- 伝搬遅延と遷移時間のバランス
- LSTTLロジックICに比べて大幅な電力削減
- HC型
- 2V 6V動作
- 高ノイズ耐性: NIL = 30%、 NIH = 30%(VCC = 5V時 VCC に対して)
- HCTタイプ
- 4.5V 5.5V動作
- 直接LSTTL入力ロジック互換性、VIL =0.8V(最大)、VIH =2V (最小)
- CMOS 入力互換性、Il 1µA(VOL 、VOH)
機能ブロック図
公開: 2024-12-05
| 更新済み: 2025-07-31

